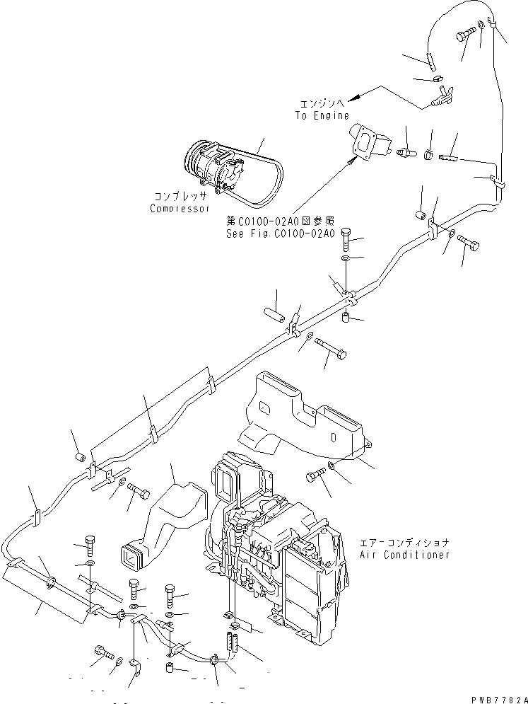
Запчасти Komatsu PC450-6K-KE КОНДИЦ. ВОЗДУХА (ЛИНИЯ ОБОГРЕВА И ВОЗДУХОВОДЫ) КАБИНА ОПЕРАТОРА И СИСТЕМА УПРАВЛЕНИЯ

Схема запчастей Komatsu PC450-6K-KE - КОНДИЦ. ВОЗДУХА (ЛИНИЯ ОБОГРЕВА И ВОЗДУХОВОДЫ) КАБИНА ОПЕРАТОРА И СИСТЕМА УПРАВЛЕНИЯ
1
1
2
2
3
4
5
6
7
8
9
10
11
12
13
13
14
15
16
17
18
19
20
21
22
23
24
25
26
27
28
29
30
31
32
33
34
35
36
37
37
37
38
39
39
40
41
42
43
44
FIT
1:1
100%

Артикул

Название

Примечание

Количество

1

09483-00449

HOSE

2

09483-00460

HOSE

3

141-06-11220

CLIP

4

142-03-11160

SPACER

5

01010-81260

BOLT

6

01643-31232

WASHER

7

141-06-11220

CLIP

8

01010-81225

BOLT

9

01643-31232

WASHER

10

141-06-11220

CLIP

11

01010-81230

BOLT

12

01643-31232

WASHER

13

141-06-11220

CLIP

14

142-03-11160

SPACER

15

01010-81260

BOLT

16

01643-31232

WASHER

17

04434-52112

CLIP

18

22S-62-26210

SPACER

19

01011-81205

BOLT

20

01643-31232

WASHER

21

04434-52112

CLIP

22

142-03-11160

SPACER

23

01010-81260

BOLT

24

01643-31232

WASHER

25

141-06-11220

CLIP

26

142-03-11160

SPACER

27

01010-81260

BOLT

28

01643-31232

WASHER

29

141-06-11220

CLIP

30

04434-52112

CLIP

31

01010-81230

BOLT

32

01643-31232

WASHER

33

207-979-6180

BRACKET

34

01010-81225

BOLT

35

01643-31232

WASHER

36

20T-03-11280

NIPPLE

37

09480-10100

CLAMP

38

08034-00519

BAND

39

08034-00536

BAND

40

04120-21756

V-BELT

41

01010-81035

BOLT

42

01643-31032

WASHER

43

20Y-979-2262

DUCT

44

20Y-979-2271

DUCT

Выбрано товаров: 44