Запчасти Komatsu PC450-6K НАВЕСН. ОБОРУД P.P.C. ЛИНИЯ (E.P.C.) ( АКТУАТОР) (/)(№K-) КАБИНА ОПЕРАТОРА И СИСТЕМА УПРАВЛЕНИЯ

Схема запчастей Komatsu PC450-6K - НАВЕСН. ОБОРУД P.P.C. ЛИНИЯ (E.P.C.) ( АКТУАТОР) (/)(№K-) КАБИНА ОПЕРАТОРА И СИСТЕМА УПРАВЛЕНИЯ
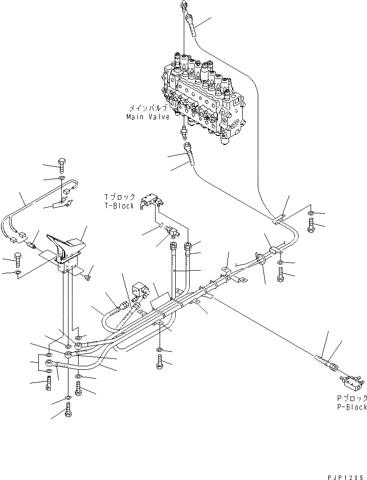
1
2
3
4
5
6
7
8
9
10
10
11
11
12
12
13
13
14
14
15
15
16
16
17
18
18
19
19
19
20
21
22
23
24
25
26
26
26
27
27
27
27
27
28
29
30
31
32
FIT
1:1
100%

Артикул

Название

Примечание

Количество

1

20Y-60-K1250

VALVE ASS'Y

2

07043-00108

PLUG

3

01010-80820

BOLT

4

01643-30823

WASHER

5

20Y-06-21710

SWITCH

6

20Y-06-21330

WIRING HARNESS

7

08053-01512

CLIP

8

01010-81220

BOLT

9

01643-31232

WASHER

10

207-62-K2641

HOSE

11

207-62-K2631

HOSE

12

20Y-62-22810

BAND¤ YELLOW

13

07102-20214

HOSE

14

20Y-62-22790

BAND¤ RED

15

20Y-62-K2910

HOSE

16

20Y-62-22820

BAND¤ BLUE

17

08034-00536

BAND

18

203-62-52350

HOSE¤ 1200MM

19

20Y-62-29180

CLAMP

20

01010-81016

BOLT

21

01643-31032

WASHER

22

08034-00536

BAND

23

21T-72-23270

CLIP

24

01010-81225

BOLT

25

01643-31232

WASHER

26

20Y-970-K180

BOLT

27

20G-62-K2510

WASHER

28

21T-72-23270

CLIP

29

01010-81230

BOLT

30

01643-31232

WASHER

31

208-62-17550

TEE

32

07002-01423

O-RING

Выбрано товаров: 32