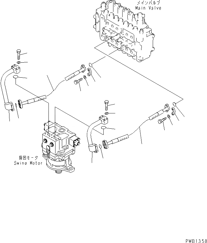
Запчасти Komatsu PC450-6Z ЛИНИЯ ПОВОРОТА ГИДРАВЛИКА

Схема запчастей Komatsu PC450-6Z - ЛИНИЯ ПОВОРОТА ГИДРАВЛИКА
1
1
2
2
2
2
3
3
4
4
5
5
6
7
8
8
9
9
10
10
FIT
1:1
100%

Артикул

Название

Примечание

Количество

1

07099-01008

HOSE

2

07000-13032

O-RING

3

07371-31049

FLANGE

4

07372-21035

BOLT

5

01643-51032

WASHER

6

207-62-61381

TUBE

7

207-62-61391

TUBE

8

07000-13035

O-RING

9

01010-81065

BOLT

10

01643-51032

WASHER

Выбрано товаров: 10