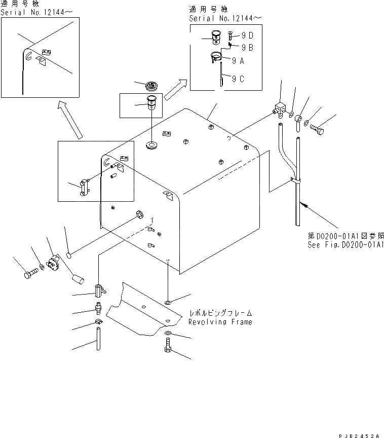
Запчасти Komatsu PC450-6Z ТОПЛИВН. БАК. (НАСОС АВТОМАТИЧ. ЗАПРАВКИ)(№-) ТОПЛИВН. БАК. AND КОМПОНЕНТЫ

Схема запчастей Komatsu PC450-6Z - ТОПЛИВН. БАК. (НАСОС АВТОМАТИЧ. ЗАПРАВКИ)(№-) ТОПЛИВН. БАК. AND КОМПОНЕНТЫ
1
1
2
3
4
5
6
7
8
9
9
10
11
12
12
13
14
15
16
17
18
19
FIT
1:1
100%

Артикул

Название

Примечание

Количество

|1

208-04-00141

FUEL TANK ASS'Y

|1

208-04-00140

FUEL TANK ASS'Y

1

TANK

2

20Y-04-21220

GAUGE

|2

21S-04-11151

GAUGE

|2

21S-04-11150

GAUGE

3

07700-50240

VALVE

4

20Y-04-11160

CAP

5

7861-92-5810

SENSOR

6

07000-13050

O-RING

|6

07000-03050

O-RING

7

01010-80612

BOLT

8

01643-30623

WASHER

9

205-04-71140

STRAINER

10

20Y-04-21131

ELBOW

11

20Y-04-21141

TUBE

12

07005-00812

GASKET

13

07206-30508

BOLT

14

01010-81635

BOLT

15

01643-31645

WASHER

16

195-03-11570

SHIM¤ 1.0MM

17

154-04-11540

NIPPLE

18

07288-01001

HOSE

19

07281-00197

CLAMP

Выбрано товаров: 24