Запчасти Komatsu PC450-6Z ТОПЛИВН. БАК. (НАСОС АВТОМАТИЧ. ЗАПРАВКИ)(№-) ТОПЛИВН. БАК. AND КОМПОНЕНТЫ

Схема запчастей Komatsu PC450-6Z - ТОПЛИВН. БАК. (НАСОС АВТОМАТИЧ. ЗАПРАВКИ)(№-) ТОПЛИВН. БАК. AND КОМПОНЕНТЫ
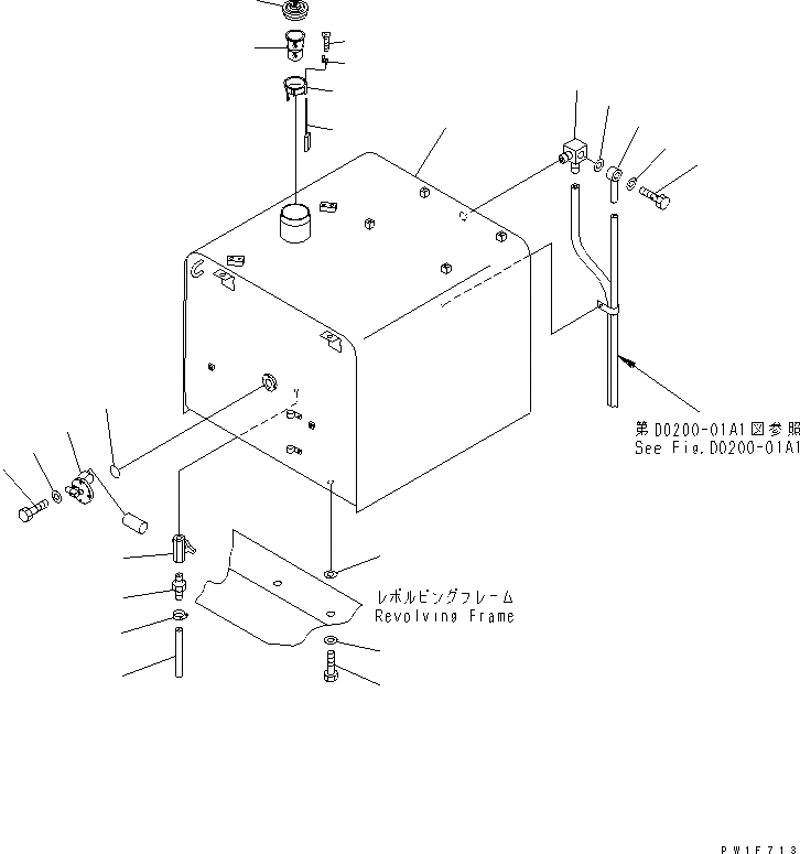
1
2
3
4
5
6
7
8
9
10
11
12
13
14
15
15
16
17
18
19
20
21
22
FIT
1:1
100%

Артикул

Название

Примечание

Количество

1

208-04-61132

TANK

2

07700-50240

VALVE

3

20Y-04-11160

CAP

4

7861-92-5810

SENSOR

5

07000-13050

O-RING

6

01010-80612

BOLT

7

01643-30623

WASHER

8

205-04-71141

STRAINER

|9

207-04-61170

FLOAT ASS'Y

9

20Y-04-21560

GUIDE

10

20Y-04-21580

CAP

11

207-04-61180

FLOAT

12

DUMMY-M2L12

SCREW

13

20Y-04-21131

ELBOW

14

20Y-04-21141

TUBE

15

07205-20508

JOINT

16

07005-00812

GASKET

17

01010-81635

BOLT

18

01643-31645

WASHER

19

195-03-11570

SHIM¤ 1.0MM

20

154-04-11540

NIPPLE

21

07288-01001

HOSE

22

07281-00197

CLAMP

Выбрано товаров: 23