Запчасти Komatsu PC450-7 ОХЛАЖД-Е (СИСТЕМА ТРУБ РАДИАТОРА)(№-) СИСТЕМА ОХЛАЖДЕНИЯ

Схема запчастей Komatsu PC450-7 - ОХЛАЖД-Е (СИСТЕМА ТРУБ РАДИАТОРА)(№-) СИСТЕМА ОХЛАЖДЕНИЯ
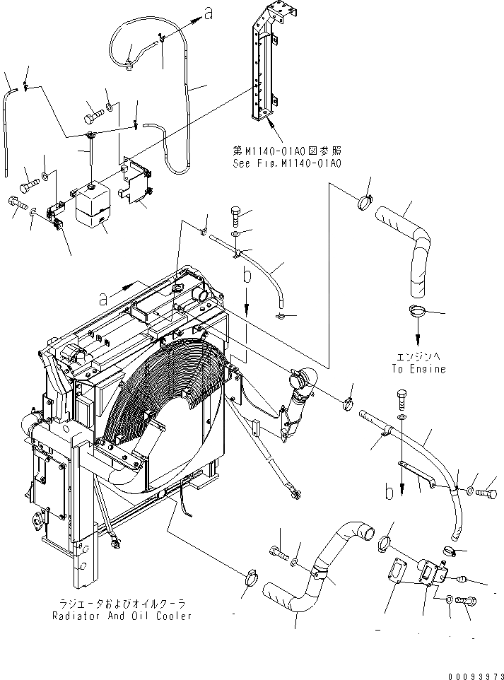
1
2
3
4
5
6
7
7
8
9
9
10
11
12
13
14
15
16
17
18
19
20
20
21
22
22
23
24
25
26
27
28
29
30
31
31
32
32
33
34
35
35
36
37
FIT
1:1
100%

Артикул

Название

Примечание

Количество

1

208-03-71960

CONNECTOR

2

207-03-31271

GASKET

3

01010-81025

BOLT

4

01643-51032

WASHER

5

07042-00312

PLUG

6

208-03-71321

HOSE

7

07289-00070

CLAMP

8

208-03-71331

HOSE

9

07289-00070

CLAMP

10

207-03-51530

CLIP

11

01010-81225

BOLT

12

01643-31232

WASHER

13

208-03-72140

HOSE

14

11Y-09-11140

CLIP

15

11Y-09-11140

CLIP

16

04434-51712

CLIP

17

01010-81225

BOLT

18

01643-31232

WASHER

19

208-03-72151

HOSE

20

07281-00359

CLAMP

21

208-03-72131

BRACKET

22

04434-53212

CLIP

23

01010-81225

BOLT

24

01643-31232

WASHER

25

20Y-06-15240

TANK ASS'Y

26

205-03-71532

CAP

26

205-03-71540

PACKING

27

208-03-71910

BRACKET

28

01010-81225

BOLT

29

01643-31232

WASHER

30

208-03-71921

BAND

31

01010-81225

BOLT

32

01643-31232

WASHER

33

21M-03-15680

HOSE, 2450MM

34

134-03-61410

BAND

35

206-03-43340

CLIP

36

208-03-58310

HOSE, 600MM

37

206-03-43340

CLIP

Выбрано товаров: 38