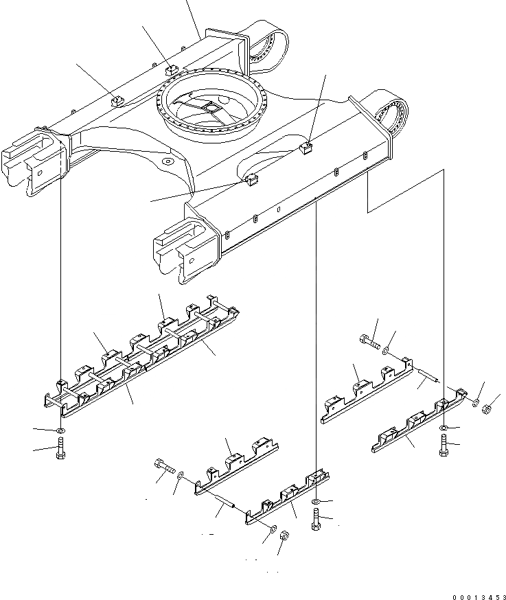
Запчасти Komatsu PC450-7 ГУСЕНИЧНАЯ РАМА (ПОЛН. ЗАЩИТА КАТКОВ)(№-9) ХОДОВАЯ

Схема запчастей Komatsu PC450-7 - ГУСЕНИЧНАЯ РАМА (ПОЛН. ЗАЩИТА КАТКОВ)(№-9) ХОДОВАЯ
1
2
2
2
2
3
3
4
4
5
5
6
6
7
7
7
8
8
8
9
9
10
10
10
10
11
11
12
12
FIT
1:1
100%

Артикул

Название

Примечание

Количество

1

208-30-71111

TRACK FRAME

2

208-30-71E80

BRACKET (WELDED)

3

208-30-77110

GUARD, L.H.

4

208-30-77120

GUARD, L.H.

5

208-30-77130

GUARD, R.H.

6

208-30-77140

GUARD, R.H.

7

01010-62455

BOLT

8

01643-32460

WASHER

9

421-975-1230

BOLT

10

01643-32460

WASHER

11

01580-12419

NUT

12

150-30-15553

SPACER

Выбрано товаров: 12