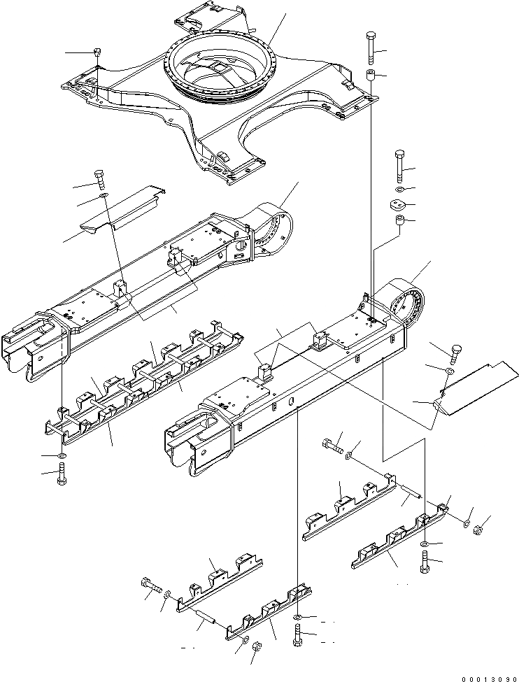
Запчасти Komatsu PC450-7 ГУСЕНИЧНАЯ РАМА (РЕГУЛЯТОР) (ПОЛН. ЗАЩИТА КАТКОВ)(№-9) ХОДОВАЯ

Схема запчастей Komatsu PC450-7 - ГУСЕНИЧНАЯ РАМА (РЕГУЛЯТОР) (ПОЛН. ЗАЩИТА КАТКОВ)(№-9) ХОДОВАЯ
1
2
3
4
5
6
6
7
7
8
8
9
10
11
12
13
14
15
16
16
17
17
18
18
19
19
20
20
20
21
21
21
22
22
23
23
23
23
24
24
25
25
FIT
1:1
100%

Артикул

Название

Примечание

Количество

1

208-30-75113

FRAME

1

208-30-75112

FRAME

2

208-30-75142

FRAME, L.H.

3

208-30-75E10

BRACKET (WELDED)

4

208-30-75152

FRAME, R.H.

5

208-30-75E10

BRACKET (WELDED)

6

208-30-75181

PLATE

7

01010-81225

BOLT

8

01643-31232

WASHER

9

208-30-75390

COLLAR

10

208-30-12130

BOLT

11

208-30-12160

PLATE

12

208-30-31650

COLLAR

13

01011-63030

BOLT

14

01643-33080

WASHER

15

07049-03949

PLUG

16

208-30-77110

GUARD, L.H.

17

208-30-77120

GUARD, L.H.

18

208-30-77130

GUARD, R.H.

19

208-30-77140

GUARD, R.H.

20

01010-62455

BOLT

21

01643-32460

WASHER

22

421-975-1230

BOLT

23

01643-32460

WASHER

24

01580-12419

NUT

25

150-30-15553

SPACER

Выбрано товаров: 0