Запчасти Komatsu PC450-7E0 СТРЕЛА ( ЧАС. СИСТ. СМАЗКИ ТИП) (ЛАМПА РАБОЧ. ОСВЕЩЕНИЯ И УПЛОТНЕНИЯ)(№-) РАБОЧЕЕ ОБОРУДОВАНИЕ

Схема запчастей Komatsu PC450-7E0 - СТРЕЛА ( ЧАС. СИСТ. СМАЗКИ ТИП) (ЛАМПА РАБОЧ. ОСВЕЩЕНИЯ И УПЛОТНЕНИЯ)(№-) РАБОЧЕЕ ОБОРУДОВАНИЕ
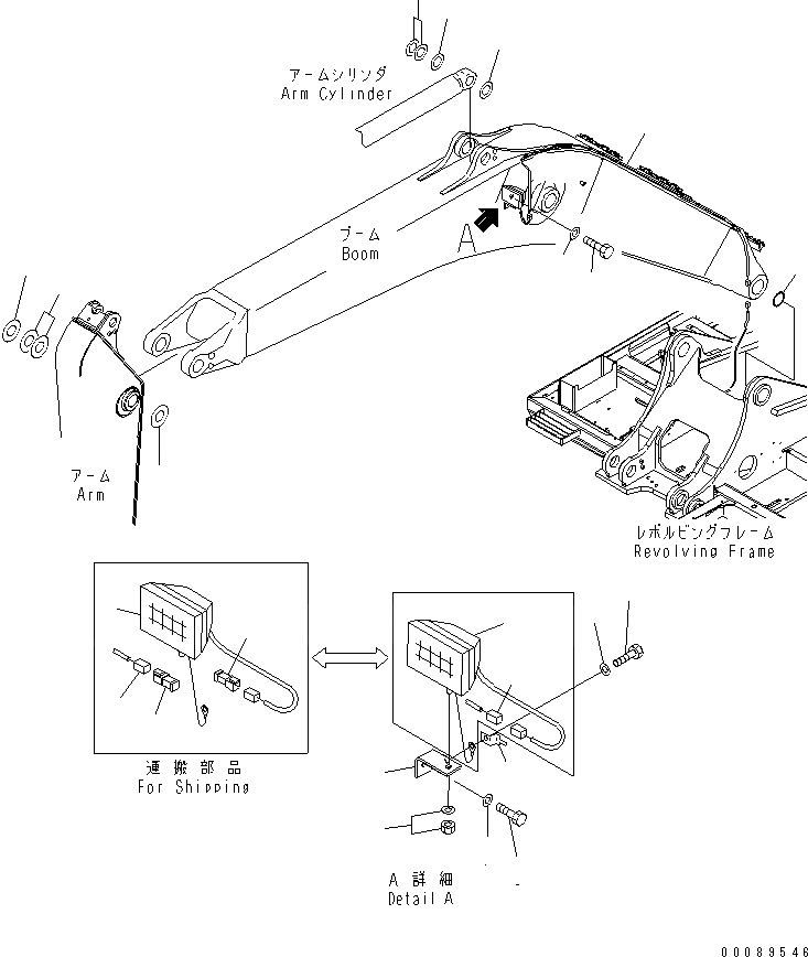
1
1
1
2
3
4
5
6
6
7
7
8
9
9
9
10
10
11
12
12
13
14
14
15
FIT
1:1
100%

Артикул

Название

Примечание

Количество

1

21T-06-32810

WORKING LAMP ASS'Y

|$6

421-06-23330

BULB, 70W

2

20Y-06-21551

BRACKET

3

01010-81430

BOLT

4

01643-31445

WASHER

5

04434-51012

CLIP

6

01010-81220

BOLT

7

01643-31232

WASHER

8

08193-20012

CLIP

9

207-06-75161

WIRING HARNESS

10

26G7-11-1170

PLUG,CONNECTOR

11

07145-00120

SEAL

12

421-70-11451

SHIM, 1.5MM

13

208-70-31310

SPACER, 0.8MM

14

207-70-11370

SPACER, 1.5MM

15

207-70-11360

SPACER, 1.0MM

Выбрано товаров: 0