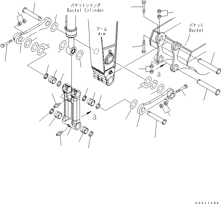
Запчасти Komatsu PC450-7E0 РУКОЯТЬ (СОЕДИНЕНИЕ КОВША) РАБОЧЕЕ ОБОРУДОВАНИЕ

Схема запчастей Komatsu PC450-7E0 - РУКОЯТЬ (СОЕДИНЕНИЕ КОВША) РАБОЧЕЕ ОБОРУДОВАНИЕ
1
2
2
2
2
3
3
4
4
4
4
4
4
5
5
6
6
7
7
8
8
8
8
9
9
9
9
10
10
10
10
10
10
11
11
FIT
1:1
100%

Артикул

Название

Примечание

Количество

|$13

208-70-00750

LINK ASS'Y

1

LINK

2

208-70-13141

BUSHING

3

07020-00000

FITTING

4

208-70-73530

SEAL

5

208-70-73120

LINK

6

208-70-73520

PIN

7

208-70-73131

PIN

8

208-70-73160

BOLT

9

01580-12419

NUT

10

207-70-11350

SPACER, 1.5MM

11

207-70-11340

SPACER, 0.8MM

Выбрано товаров: 12