Запчасти Komatsu PC450-7E0 ОСНОВН. КЛАПАН (7/) ОСНОВН. КОМПОНЕНТЫ И РЕМКОМПЛЕКТЫ

Схема запчастей Komatsu PC450-7E0 - ОСНОВН. КЛАПАН (7/) ОСНОВН. КОМПОНЕНТЫ И РЕМКОМПЛЕКТЫ
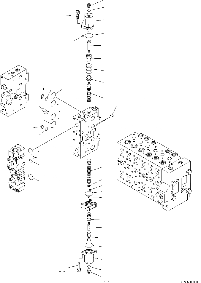
1
2
3
4
5
6
7
8
9
10
11
12
13
14
15
16
17
18
18
18
19
19
20
20
21
21
22
23
24
25
25
26
26
27
27
27
28
28
29
30
FIT
1:1
100%

Артикул

Название

Примечание

Количество

|$3

723-47-27502

CONTROL VALVE

|$4

723-47-27501

CONTROL VALVE

|$5

723-47-27500

CONTROL VALVE

|$7

BODY SUB ASS'Y

|$8

BODY SUB ASS'Y

1

BLOCK,VALVE

2

SPOOL

3

723-46-15390

PLUG

4

723-46-15370

RETAINER

5

723-46-15380

RETAINER

6

723-46-14190

SPRING

7

723-46-17840

CASE

8

07430-71380

O-RING

9

01252-60820

BOLT

10

723-46-25610

SPOOL

11

723-46-15330

BOLT

12

723-46-15340

PISTON

13

SEAL

14

700-20-71260

SEAL

15

723-46-14180

SPRING

16

723-46-17850

CASE

17

723-46-17860

CASE

18

723-11-19960

O-RING

19

706-73-71450

PLUG

20

07002-11423

O-RING

21

07430-71380

O-RING

22

01252-60845

BOLT

23

PLUG

24

723-46-17530

O-RING

25

723-11-19130

O-RING

26

723-46-17520

RING,BACK-UP

27

07000-13032

O-RING

28

723-46-17510

O-RING

29

07000-12016

O-RING

30

702-16-53920

O-RING

Выбрано товаров: 35