Запчасти Komatsu PC450-7K-E0 СТРЕЛА (ЛАМПА РАБОЧ. ОСВЕЩЕНИЯ И УПЛОТНЕНИЯ) (ДЛЯ ЧАС. СИСТЕМА СМАЗКИ) РАБОЧЕЕ ОБОРУДОВАНИЕ

Схема запчастей Komatsu PC450-7K-E0 - СТРЕЛА (ЛАМПА РАБОЧ. ОСВЕЩЕНИЯ И УПЛОТНЕНИЯ) (ДЛЯ ЧАС. СИСТЕМА СМАЗКИ) РАБОЧЕЕ ОБОРУДОВАНИЕ
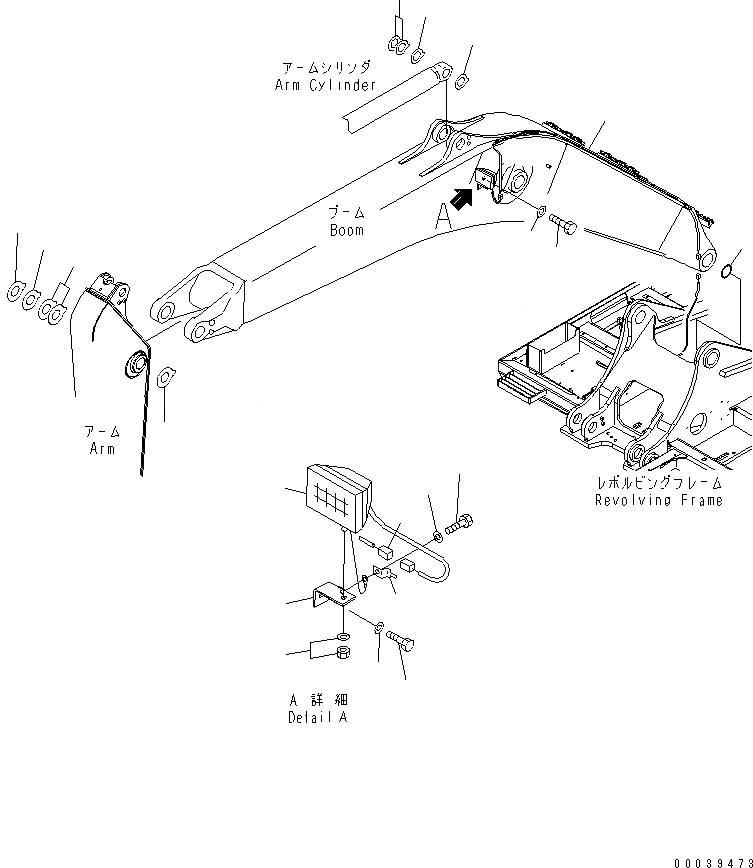
1
1
2
3
4
5
6
6
7
7
8
9
9
10
11
11
12
13
14
14
15
FIT
1:1
100%

Артикул

Название

Примечание

Количество

1

21T-06-32810

WORK LAMP ASS'Y

|1

421-06-23330

BULB¤ 70W

2

20Y-06-21551

BRACKET

3

01010-81430

BOLT

4

01643-31445

WASHER

5

04434-51012

CLIP

6

01010-81220

BOLT

7

01643-31232

WASHER

8

08193-20012

CLIP

9

207-06-75161

WIRING HARNESS

10

07145-00120

SEAL

11

208-70-71530

SPACER¤ 2.0MM

12

208-70-71540

SPACER¤ 2.5MM

13

208-70-71550

SPACER¤ 3.0MM

14

208-70-71650

SPACER

15

208-70-71660

SPACER

Выбрано товаров: 16