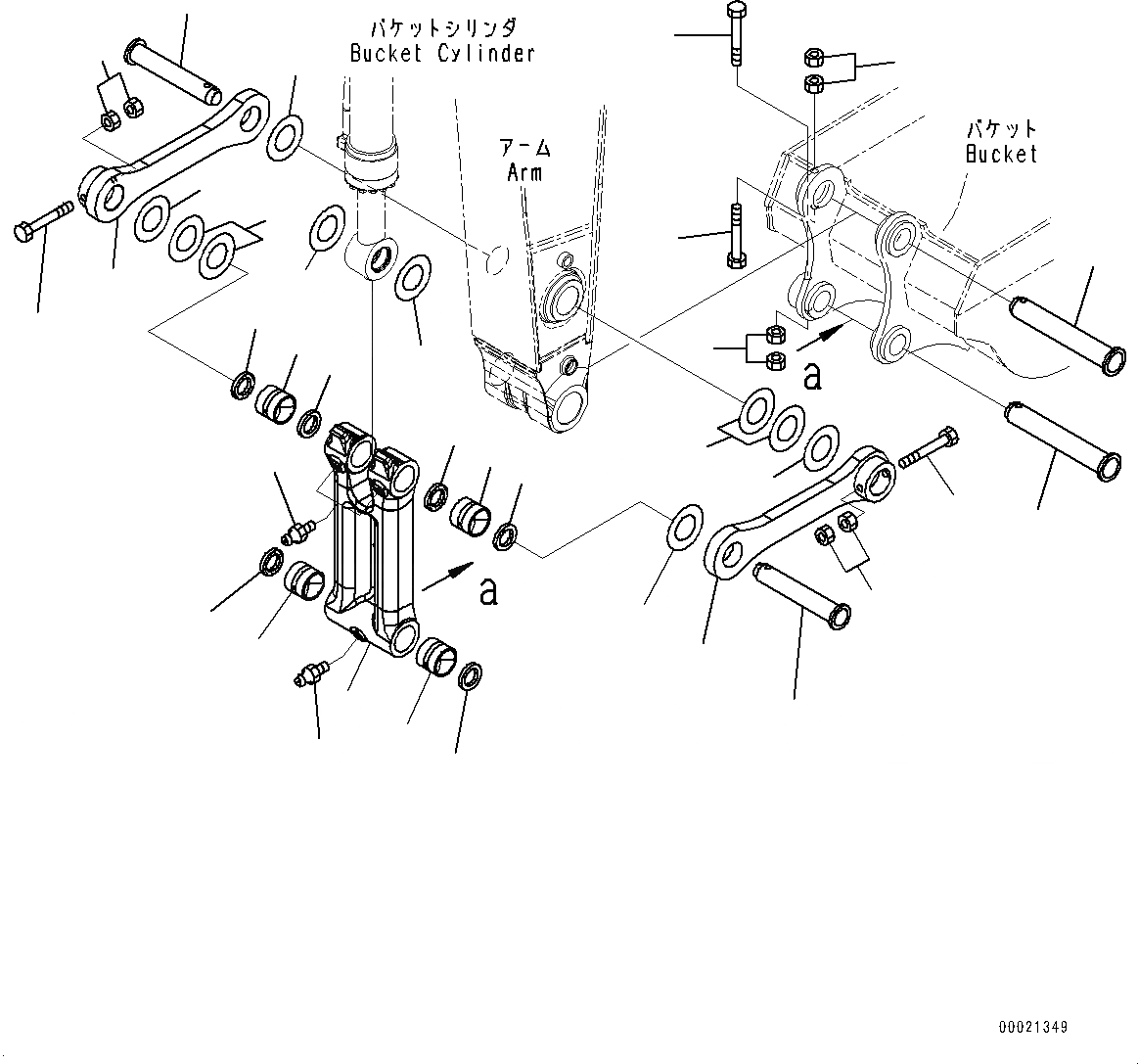
Запчасти Komatsu PC450-8 РУКОЯТЬ, СОЕДИНЕНИЕ КОВША (№7-) РУКОЯТЬ, MM, УСИЛ. ТИП, -НАВЕСН. ОБОРУД

Схема запчастей Komatsu PC450-8 - РУКОЯТЬ, СОЕДИНЕНИЕ КОВША (№7-) РУКОЯТЬ, MM, УСИЛ. ТИП, -НАВЕСН. ОБОРУД
10
1
2
2
2
2
3
3
4
4
4
4
5
5
10
10
10
10
7
7
8
9
6
8
6
9
8
8
4
4
11
10
11
9
9
FIT
1:1
100%

Артикул

Название

Примечание

Количество

|$0

208-70-00750

Link Assembly

1

Link

2

208-70-13141

Bushing

3

07020-00000

Fitting, Grease

4

208-70-73530

Seal, Dust

5

208-70-73120

Link

6

208-70-73520

Pin

7

208-70-73131

Pin

8

208-70-73160

Bolt

9

01580-12419

Nut

10

207-70-11350

Spacer, T=1.5mm

11

207-70-11340

Spacer, T=0.8mm

Выбрано товаров: 12