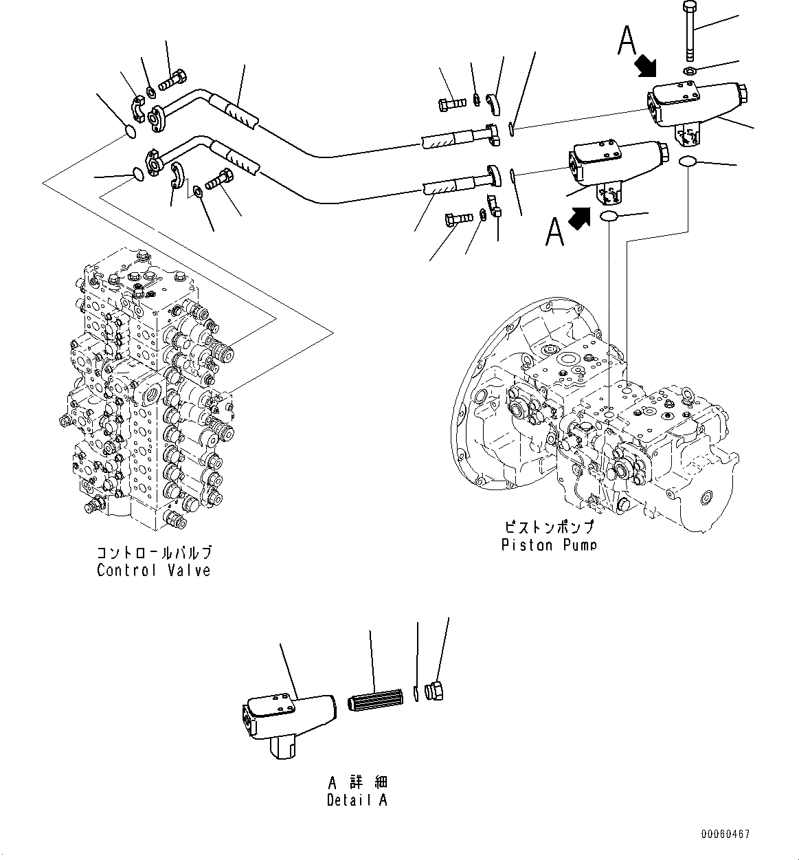
Запчасти Komatsu PC450-8 ПОДАЮЩ. ТРУБЫ (№7-) ПОДАЮЩ. ТРУБЫ, С ПРОХОДНЫМ ФИЛЬТРОМ

Схема запчастей Komatsu PC450-8 - ПОДАЮЩ. ТРУБЫ (№7-) ПОДАЮЩ. ТРУБЫ, С ПРОХОДНЫМ ФИЛЬТРОМ
2
4
3
1
12
11
13
14
8
10
9
8
10
9
7
6
1
1
5
5
12
14
15
17
16
17
15
16
FIT
1:1
100%

Артикул

Название

Примечание

Количество

|$0

208-62-71101

Filter Assembly

|$1

208-62-71100

Filter Assembly

1

Case

2

20Y-60-22372

Plug

2

20Y-60-22371

Plug

3

207-60-61250

Strainer

4

07002-13634

O-ring

5

07000-13035

O-ring

6

01011-81070

Bolt

7

01643-31032

Washer

8

07371-31049

Flange, Split

9

07372-21035

Bolt

10

01643-51032

Washer

11

207-62-71750

Hose

12

07000-13032

O-ring

13

207-62-71880

Hose

14

07000-13032

O-ring

15

07371-31049

Flange, Split

16

07372-21035

Bolt

17

01643-51032

Washer

Выбрано товаров: 20