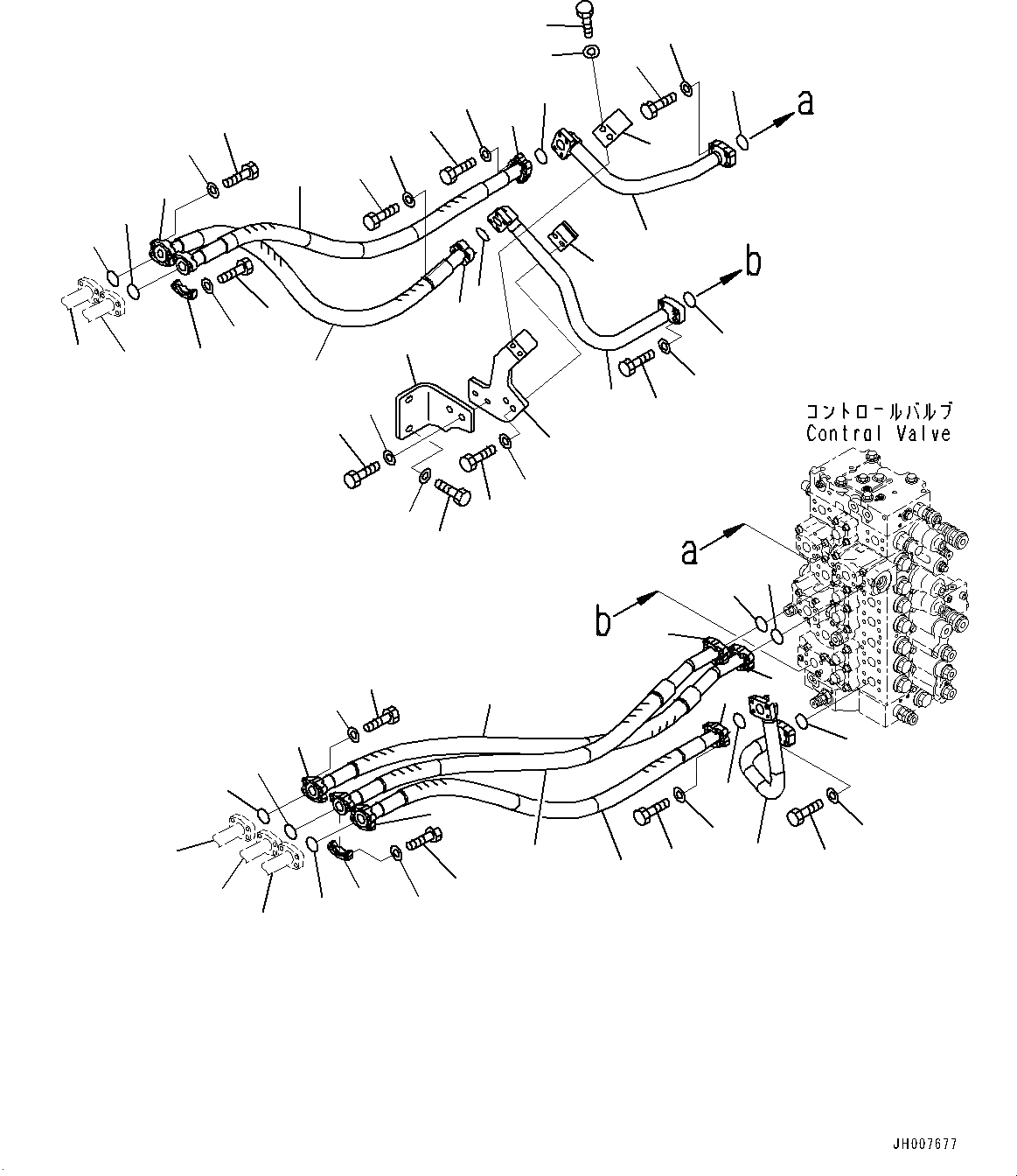
Запчасти Komatsu PC450-8 РУКОЯТЬ И КОВШ ТРУБЫ (№7-) РУКОЯТЬ И КОВШ ТРУБЫ, РУКОЯТЬ ГИДРАВЛ DRIFT PREВЕНТИЛЯТОРION КЛАПАН

Схема запчастей Komatsu PC450-8 - РУКОЯТЬ И КОВШ ТРУБЫ (№7-) РУКОЯТЬ И КОВШ ТРУБЫ, РУКОЯТЬ ГИДРАВЛ DRIFT PREВЕНТИЛЯТОРION КЛАПАН
1
18
13
20
19
18
29
13
28
29
21
27
22
17
28
22
3
12
27
14
4
14
14
5
6
44
45
46
3
23
9
12
24
2
13
7
26
8
25
28
16
14
24
13
29
27
15
42
43
11
10
4
6
5
39
36
35
30
37
41
40
34
31
38
19
20
33
32
FIT
1:1
100%

Артикул

Название

Примечание

Количество

1

208-62-71560

Tube

2

208-62-72760

Tube

3

07000-13035

O-ring

4

07371-31049

Flange, Split

5

07372-21035

Bolt

6

01643-51032

Washer

7

208-62-71580

Tube

8

07000-13035

O-ring

9

07371-31049

Flange, Split

10

07372-21035

Bolt

11

01643-51032

Washer

12

208-62-71160

Hose

13

07000-13032

O-ring

14

07371-31049

Flange, Split

15

07372-21035

Bolt

16

01643-51032

Washer

17

208-62-71190

Hose

18

07000-13032

O-ring

19

07372-21040

Bolt

20

01643-51032

Washer

21

207-62-71370

Hose Assembly

22

07000-13032

O-ring

23

208-62-71170

Hose

24

07000-13032

O-ring

25

07372-21040

Bolt

26

01643-51032

Washer

27

07371-31049

Flange, Split

28

07372-21035

Bolt

29

01643-51032

Washer

30

208-62-76970

Bracket

31

01010-81230

Bolt

32

175-54-34170

Washer

33

01010-81240

Bolt

34

175-54-34170

Washer

35

208-62-76940

Bracket

36

207-62-31330

Clamp

37

01010-81230

Bolt

38

01643-31232

Washer

39

208-62-76910

Clamp

40

01010-81250

Bolt

41

01643-31232

Washer

42

208-62-74160

Tube

|$42

208-62-74160

Tube

|$43

208-62-74160

Tube

|$44

208-62-74160

Tube

43

208-62-74151

Tube

|$46

208-62-74151

Tube

44

208-62-74140

Tube

|$48

208-62-74140

Tube

45

208-62-74180

Tube

|$50

208-62-74180

Tube

|$51

208-62-74180

Tube

|$52

208-62-74180

Tube

46

208-62-74170

Tube

|$54

208-62-74170

Tube

|$55

208-62-74170

Tube

|$56

208-62-74170

Tube

Выбрано товаров: 57