Запчасти Komatsu PC450-8 КАБИНА (ПОЛ, КЛАПАН PPCДЛЯ ХОД) (/) K [КАБИНА ОПЕРАТОРА И СИСТЕМА УПРАВЛЕНИЯ]

Схема запчастей Komatsu PC450-8 - КАБИНА (ПОЛ, КЛАПАН PPCДЛЯ ХОД) (/) K [КАБИНА ОПЕРАТОРА И СИСТЕМА УПРАВЛЕНИЯ]
1
7
3
6
4
5
4
6
5
7
3
2
8
9
10
11
12
13
14
15
16
17
18
20
19
13
12
14
11
15
16
17
15
15
FIT
1:1
100%

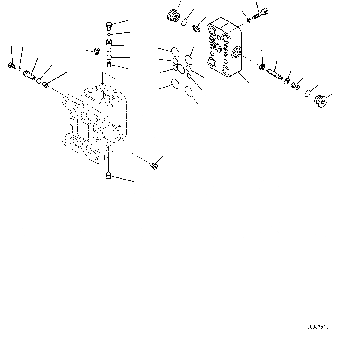
Артикул

Название

Примечание

Количество

|$1

702-16-04250

VALVE, PILOT

1

PLUG

2

PLUG

3

07040-11209

PLUG

4

07002-11223

O-RING

5

BALL

6

PLUG

7

SEAT

8

PLUG

9

BODY, VALVE, VALVE

10

SPOOL

11

702-16-57440

RETAINER

12

702-16-57450

SPRING

13

723-11-15110

PLUG

14

07002-11623

O-RING

15

07000-12015

O-RING

16

07000-11010

O-RING

17

07000-11007

O-RING

18

700-22-11410

O-RING

19

01252-60835

BOLT, HEXAGON SOCKET HEAD

20

01643-50823

WASHER

Выбрано товаров: 21