Запчасти Komatsu PC450-8 ДЕМПФЕР И ПОРШЕНЬ НАСОС (ВНУТР. ЧАСТИ) (/) B [КОМПОНЕНТЫ ДВИГАТЕЛЯ]

Схема запчастей Komatsu PC450-8 - ДЕМПФЕР И ПОРШЕНЬ НАСОС (ВНУТР. ЧАСТИ) (/) B [КОМПОНЕНТЫ ДВИГАТЕЛЯ]
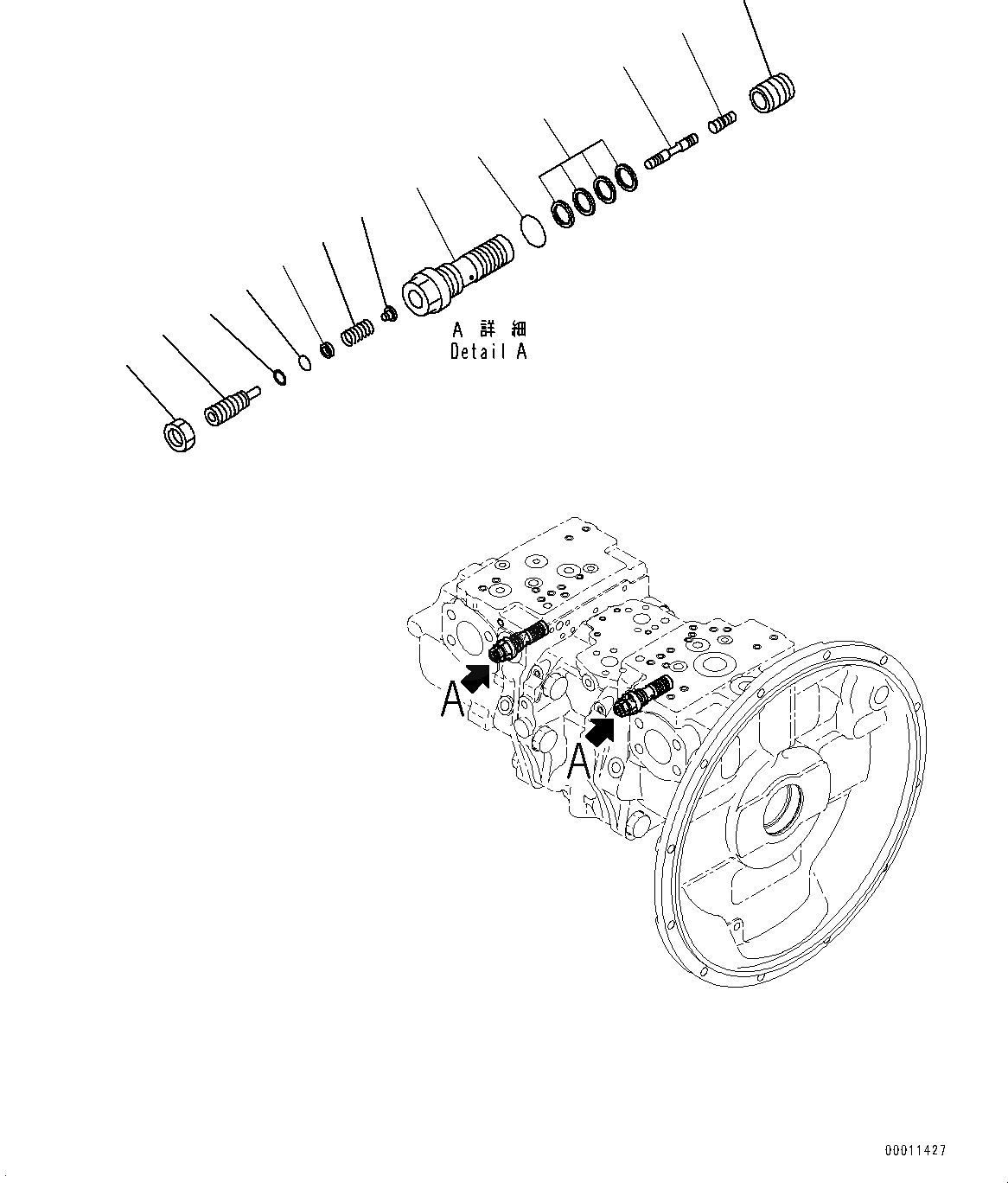
11
4
2
5
6
3
13
12
1
8
7
9
10
FIT
1:1
100%

Артикул

Название

Примечание

Количество

|$1

708-2H-00451

PUMP ASSEMBLY

|$2

708-2J-03210

VALVE ASSEMBLY, LS

1

SLEEVE

2

SEAL

3

708-2J-15310

SPOOL

4

708-2L-28540

PISTON

5

708-2L-35360

SLEEVE

6

708-2L-35341

SEAT

7

708-2L-35410

SPRING

8

708-2G-15420

SEAT

9

708-2L-35351

PLUG

10

07000-B1009

O-RING

11

07001-01009

RING, BACK-UP

12

01583-11408

NUT

13

07002-62434

O-RING

Выбрано товаров: 0