Запчасти Komatsu PC450-8 ЗАДН.VIEW ЗЕРКАЛАПРАВ. M [ЧАСТИ КОРПУСАS И КРЫШКИ]

Схема запчастей Komatsu PC450-8 - ЗАДН.VIEW ЗЕРКАЛАПРАВ. M [ЧАСТИ КОРПУСАS И КРЫШКИ]
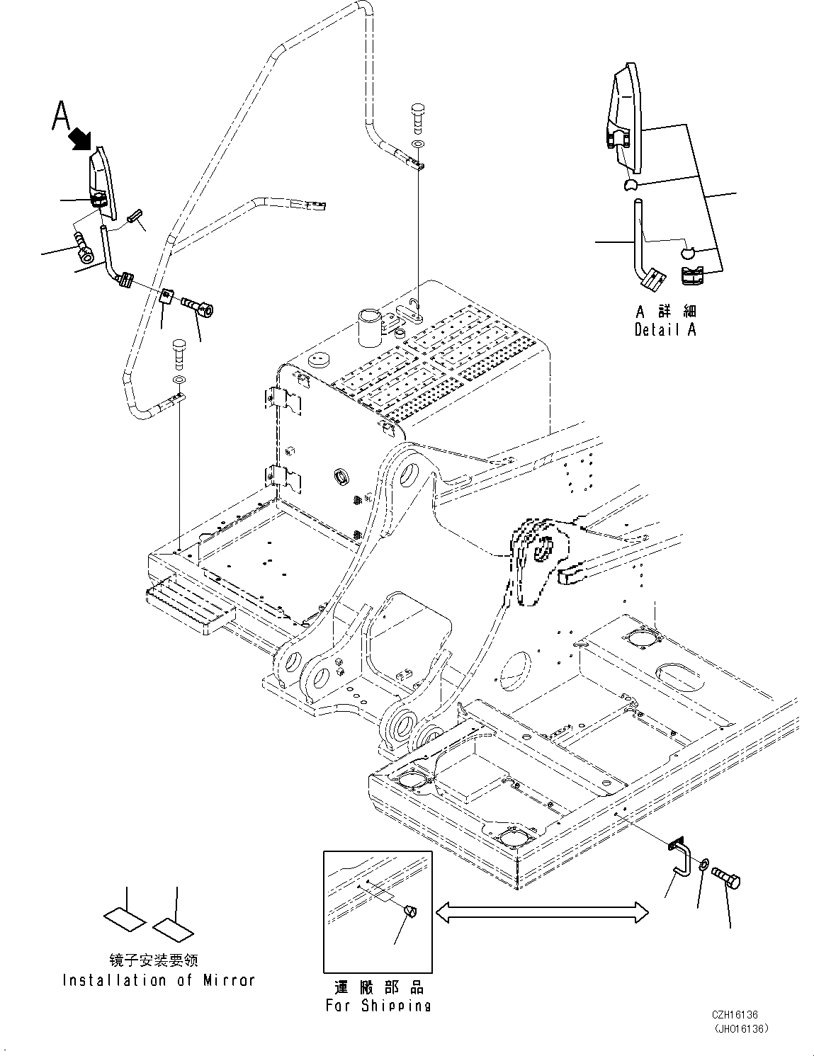
7
8
5
4
1
2
3
6
10
11
9
12
4
1
FIT
1:1
100%

Артикул

Название

Примечание

Количество

1

207-54-71840

SUPPORT

2

20Y-54-61630

CLAMP

3

01252-71030

BOLT

4

421-54-25610

MIRROR

|$5

421-54-25620

BUSHING

|$6

421-54-25630

HOLDER

|$7

421-54-25640

LENS

|$8

421-54-25650

FRAME

|$9

421-54-25660

SCREW

5

04025-00632

PIN, SPRING

6

01252-70545

BOLT, HEXAGON SOCKET HEAD

7

208-98-D1120

PLATE

8

209-98-Z7220

PLATE

9

208-54-74430

GRIP

10

01010-81225

BOLT

11

01643-31232

WASHER

12

07049-01215

PLUG

Выбрано товаров: 17