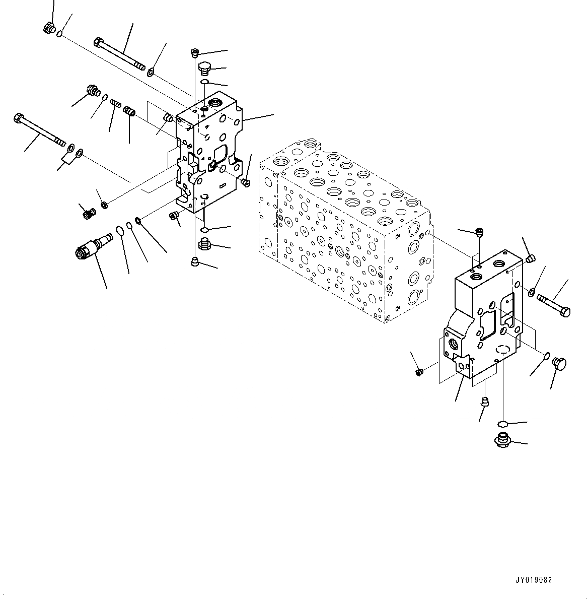
Запчасти Komatsu PC450-8 УПРАВЛЯЮЩ. КЛАПАН (7-СЕКЦИОНН.) (ВНУТР. ЧАСТИ) (7/) H [ГИДРАВЛИКА]

Схема запчастей Komatsu PC450-8 - УПРАВЛЯЮЩ. КЛАПАН (7-СЕКЦИОНН.) (ВНУТР. ЧАСТИ) (7/) H [ГИДРАВЛИКА]
1
2
4
5
7
20
21
9
10
11
13
12
14
15
16
17
24
23
22
5
7
2
7
23
2
2
5
5
24
23
3
19
18
6
6
6
8
FIT
1:1
100%

Артикул

Название

Примечание

Количество

|$1

723-47-27505

VALVE, CONTROL

|$2

723-46-00660

COVER ASSEMBLY

1

COVER

2

708-21-12541

PLUG

3

708-21-12531

PLUG

|$6

723-46-00742

COVER ASSEMBLY

4

COVER

5

708-21-12541

PLUG

6

708-8E-16250

PLUG

7

07002-11823

O-RING

8

723-46-17600

PLUG ASSEMBLY

9

07002-11423

O-RING

10

07000-11007

O-RING

11

07001-01007

RING, BACK-UP

12

723-40-82220

FILTER

13

723-46-17550

PLUG

14

723-46-15190

VALVE

15

723-46-14140

SPRING

16

708-8E-16160

PLUG

17

07002-11023

O-RING

18

709-74-91860

PLUG

19

07002-12434

O-RING

20

708-8H-11530

PLUG

21

07002-11423

O-RING

22

01010-61490

BOLT

23

01643-31445

WASHER, FLAT

24

01011-61455

BOLT

Выбрано товаров: 27