Качественные детали и логистика
Оригинальные и аналоговые запчасти с доставкой по России, Казахстану и Беларуси
©2022 PartSell ООО "Система" ИНН 2463123282 ОГРН 1212400004838
Центральный офис: г. Красноярск, Академика Киренского, д.87, пом.4
Телефон: 8 (800) 777-65-74 Email: zakaz@partsell.ru
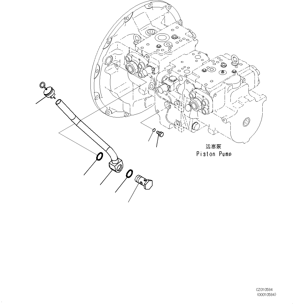
ПОРШЕНЬ НАСОС КОМПОНЕНТЫ
№
Артикул
Название
Примечание
Количество
1
207-01-31141
JOINT
2
07005-03016
SEAL, WASHER
3
207-01-31150
GAUGE
4
208-01-75210
TUBE
5
07040-11209
PLUG
6
07002-11223
O-RING
Выбрано товаров: 0