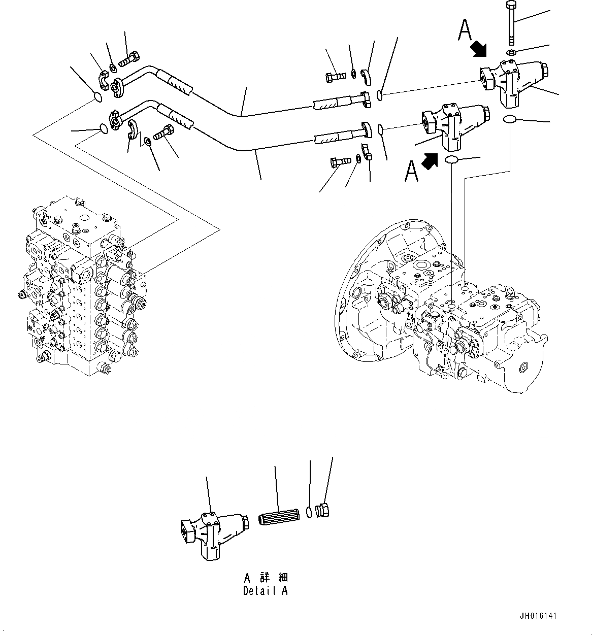
Запчасти Komatsu PC450-8 ПОДАЮЩ. ТРУБЫ H [ГИДРАВЛИКА]

Схема запчастей Komatsu PC450-8 - ПОДАЮЩ. ТРУБЫ H [ГИДРАВЛИКА]
3
4
1
2
11
13
14
7
6
2
2
5
5
16
17
15
14
12
17
15
16
9
10
8
9
10
8
12
FIT
1:1
100%

Артикул

Название

Примечание

Количество

|$1

207-62-77231

FILTER ASSEMBLY

1

207-60-61250

STRAINER

2

207-62-77241

CASE

3

20Y-60-22372

PLUG

4

07002-13634

O-RING

5

07000-13035

O-RING

6

01011-81070

BOLT

7

01643-31032

WASHER

8

07371-31049

FLANGE, SPLIT

9

07372-21035

BOLT

10

01643-51032

WASHER

11

207-62-71750

HOSE

12

07000-13032

O-RING

13

207-62-71880

HOSE

14

07000-13032

O-RING

15

07371-31049

FLANGE, SPLIT

16

07372-21035

BOLT

17

01643-51032

WASHER

Выбрано товаров: 18