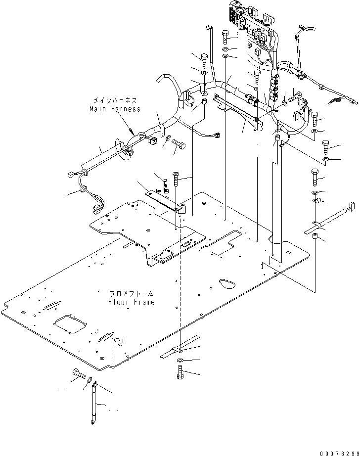
Запчасти Komatsu PC450-8 OPERATORґS КАБИНА (ПОЛ) (Э/ПРОВОДКА КРЕПЛЕНИЕ И EARTH) (СПЕЦ-Я ДЛЯ РАЗРУШ. ЗДАНИЙ) (№K-K88) K OPERATORґS ОБСТАНОВКА И СИСТЕМА УПРАВЛЕНИЯ

Схема запчастей Komatsu PC450-8 - OPERATORґS КАБИНА (ПОЛ) (Э/ПРОВОДКА КРЕПЛЕНИЕ И EARTH) (СПЕЦ-Я ДЛЯ РАЗРУШ. ЗДАНИЙ) (№K-K88) K OPERATORґS ОБСТАНОВКА И СИСТЕМА УПРАВЛЕНИЯ
1
2
2
3
3
4
5
5
6
7
8
9
10
11
12
13
14
15
16
17
18
19
20
21
22
23
24
25
26
26
27
28
29
30
31
32
33
34
35
FIT
1:1
100%

Артикул

Название

Примечание

Количество

1

20Y-53-14121

BRACKET

2

01010-81016

BOLT

3

01643-31032

WASHER

4

01643-31032

WASHER

5

208-06-19170

CLIP

6

01010-81020

BOLT

7

01643-31032

WASHER

8

208-06-19170

CLIP

9

195-33-11220

SPACER

10

01010-81040

BOLT

11

01643-31032

WASHER

12

04434-51910

CLIP

13

195-33-11220

SPACER

14

01010-81070

BOLT

15

01643-31032

WASHER

16

04434-51410

CLIP

17

04434-51010

CLIP

18

175-40-22540

SPACER

19

01010-81070

BOLT

20

01643-31032

WASHER

21

01010-81020

BOLT

22

01643-31032

WASHER

23

04434-53411

CLIP

24

01010-81020

BOLT

25

01643-31032

WASHER

26

08034-20519

BAND

27

20Y-53-18331

BRACKET

28

01240-00820

SCREW

29

08211-00720

CLIP

30

04434-52110

CLIP

31

01010-81020

BOLT

32

01643-31032

WASHER

33

08028-43030

CABLE

34

01010-81020

BOLT

35

01643-31032

WASHER

Выбрано товаров: 35