Запчасти Komatsu PC450-8 РУКОЯТЬ (.M) (ПАТРУБКИ ЦИЛИНДРА КОВША И СИСТЕМА СМАЗКИ) (№K-) T РАБОЧЕЕ ОБОРУДОВАНИЕ

Схема запчастей Komatsu PC450-8 - РУКОЯТЬ (.M) (ПАТРУБКИ ЦИЛИНДРА КОВША И СИСТЕМА СМАЗКИ) (№K-) T РАБОЧЕЕ ОБОРУДОВАНИЕ
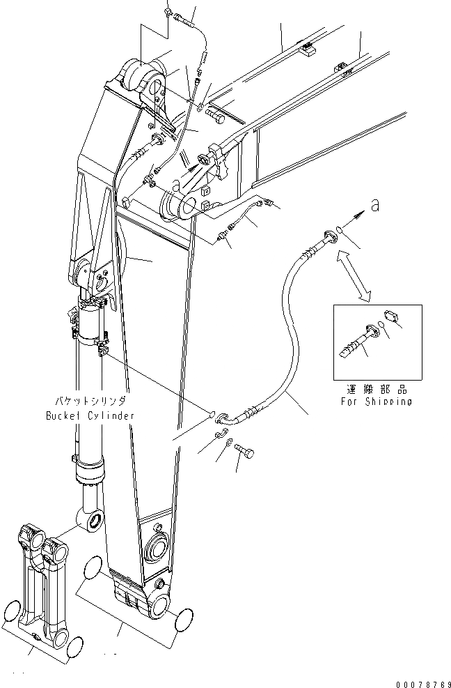
1
1
1
2
2
2
3
4
5
6
7
7
8
9
10
11
12
13
14
15
16
17
18
19
FIT
1:1
100%

Артикул

Название

Примечание

Количество

1

207-62-54680

HOSE

2

07000-13032

O-RING

3

07371-31049

FLANGE

4

07372-21035

BOLT

5

01643-51032

WASHER

6

07379-01044

FLANGE

7

20Y-70-11540

CONNECTOR

8

208-70-62161

TUBE

9

208-70-62171

TUBE

10

20Y-25-11270

ELBOW

11

04434-50812

CLIP

12

01010-81220

BOLT

13

01643-31232

WASHER

14

208-70-65770

HOSE 540MM

15

205-70-51380

ELBOW

16

208-70-33181

O-RING

17

207-70-33181

O-RING

18

208-62-74130

TUBE

19

208-62-74120

TUBE

Выбрано товаров: 19