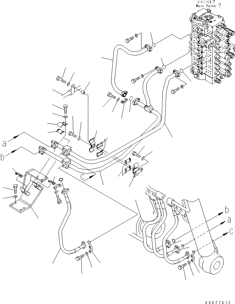
Запчасти Komatsu PC450-8 ГИДРОЛИНИЯ СТРЕЛЫ (/) (ДЛЯ КЛАПАНА ПЕРЕГРУЗКИ) H ГИДРАВЛИКА

Схема запчастей Komatsu PC450-8 - ГИДРОЛИНИЯ СТРЕЛЫ (/) (ДЛЯ КЛАПАНА ПЕРЕГРУЗКИ) H ГИДРАВЛИКА
30
31
11
32
13
7
2
1
25
24
12
8
10
9
26
27
29
28
33
20
21
18
19
15
16
17
14
34
9
10
8
4
5
3
22
23
15
6
8
3
FIT
1:1
100%

Артикул

Название

Примечание

Количество

1

208-62-71271

TUBE

2

07000-13035

O-RING

3

07371-31049

FLANGE

4

07372-21035

BOLT

5

01643-51032

WASHER

6

208-62-72910

TUBE

7

07000-13035

O-RING

8

07371-31049

FLANGE

9

07372-21035

BOLT

10

01643-51032

WASHER

11

208-62-72490

TUBE

12

07000-13032

O-RING

13

07000-13035

O-RING

14

208-62-72791

BRACKET

15

205-62-73430

SEAT

16

01010-81235

BOLT

17

01643-31232

WASHER

18

207-62-52430

CLAMP

19

205-62-73430

SEAT

20

01010-81230

BOLT

21

01643-31232

WASHER

22

207-62-71330

BRACKET

23

205-62-73430

SEAT

24

01010-81230

BOLT

25

01643-31232

WASHER

26

207-62-54770

CLAMP

27

205-62-73430

SEAT

28

01010-81230

BOLT

29

01643-31232

WASHER

30

01010-81270

BOLT

31

01643-31232

WASHER

32

20Y-03-11220

COLLAR

33

208-62-71470

HOSE 1700MM

34

207-62-52610

HOSE

Выбрано товаров: 34