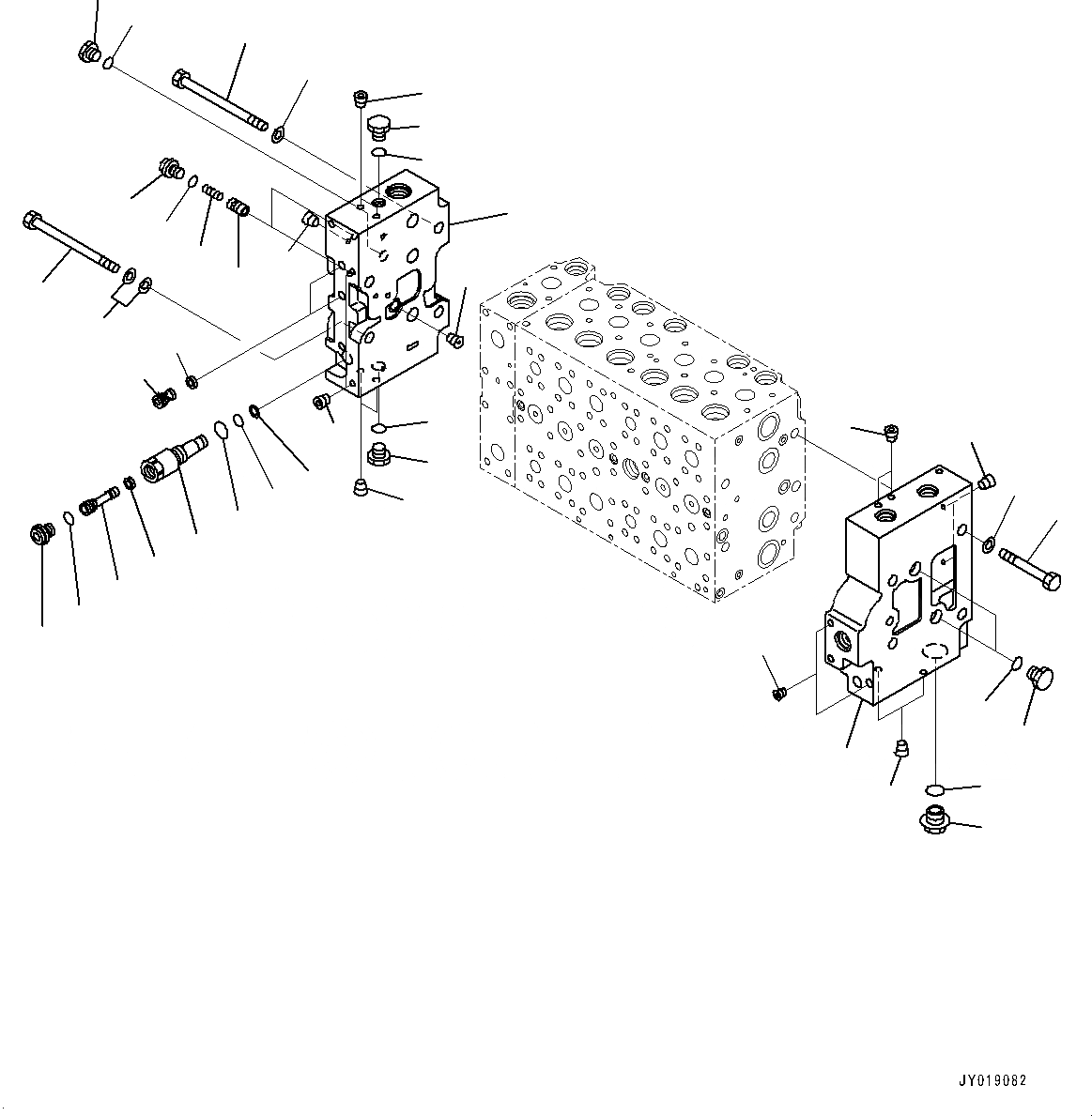
Запчасти Komatsu PC450-8R УПРАВЛЯЮЩ. КЛАПАН, ВНУТР. ЧАСТИ (7/) (№798-) УПРАВЛЯЮЩ. КЛАПАН, БЕЗ -ДОПОЛН. АКТУАТОР ТРУБЫ

Схема запчастей Komatsu PC450-8R - УПРАВЛЯЮЩ. КЛАПАН, ВНУТР. ЧАСТИ (7/) (№798-) УПРАВЛЯЮЩ. КЛАПАН, БЕЗ -ДОПОЛН. АКТУАТОР ТРУБЫ
1
2
4
5
7
24
25
8
9
10
11
12
13
14
15
17
16
18
19
20
21
28
27
26
5
7
2
7
27
2
2
5
5
28
27
3
23
22
6
6
6
FIT
1:1
100%

Артикул

Название

Примечание

Количество

|$0

723-47-27503

Valve, Control

|$1

723-46-00660

Cover Assembly

1

Cover

2

Plug

3

Plug

3

723-46-00742

Cover Assembly

4

Cover, B

5

Plug

6

708-8E-16250

Plug

7

07002-11823

O-ring

7

723-46-17600

Plug Assembly

8

723-46-17610

Sleeve

9

723-46-17640

Plug

10

702-21-55760

Filter

11

07002-11423

O-ring

12

07000-11007

O-ring

13

07001-01007

Ring, Back-up

14

708-8E-16160

Plug

15

07002-11023

O-ring

16

723-40-82220

Filter

17

723-46-17550

Plug

18

723-46-15190

Valve

19

723-46-14140

Spring

20

708-8E-16160

Plug

21

07002-11023

O-ring

22

709-74-91860

Plug

23

07002-12434

O-ring

24

708-8H-11530

Plug

25

07002-11423

O-ring

26

01010-61490

Bolt

27

01643-31445

Washer, Flat

28

01011-61455

Bolt

Выбрано товаров: 32