Запчасти Komatsu PC450-8R ПЕРИОДИЧ. ОБСЛУЖ. SERVICE СОЕДИН-ЕS (№7-) ПЕРИОДИЧ. ОБСЛУЖ. SERVICE СОЕДИН-ЕS

Схема запчастей Komatsu PC450-8R - ПЕРИОДИЧ. ОБСЛУЖ. SERVICE СОЕДИН-ЕS (№7-) ПЕРИОДИЧ. ОБСЛУЖ. SERVICE СОЕДИН-ЕS
4
3
5
1
1
1
1
1
1
7
2
2
2
2
2
2
6
FIT
1:1
100%

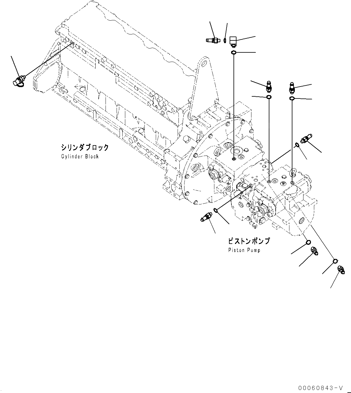
Артикул

Название

Примечание

Количество

1

799-101-5220

Nipple

2

07002-11023

O-ring

3

207-62-72820

Elbow

4

07002-11023

O-ring

5

799-101-5220

Nipple

6

07002-11023

O-ring

7

195-49-36120

Nipple

Выбрано товаров: 0