Запчасти Komatsu PC450-8R РУКОЯТЬ ГИДРАВЛ DRIFT PREВЕНТИЛЯТОРION КЛАПАН (№7-) РУКОЯТЬ ГИДРАВЛ DRIFT PREВЕНТИЛЯТОРION КЛАПАН, РУКОЯТЬ

Схема запчастей Komatsu PC450-8R - РУКОЯТЬ ГИДРАВЛ DRIFT PREВЕНТИЛЯТОРION КЛАПАН (№7-) РУКОЯТЬ ГИДРАВЛ DRIFT PREВЕНТИЛЯТОРION КЛАПАН, РУКОЯТЬ
1
2
3
4
5
FIT
1:1
100%

Артикул

Название

Примечание

Количество

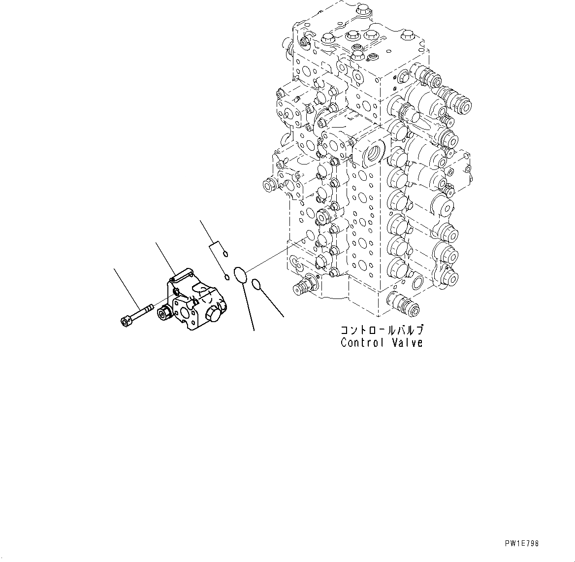
1

723-40-82701

Valve Assembly

2

01252-61075

Bolt, Hexagon Socket Head

3

07000-13032

O-ring

4

07000-12021

O-ring

5

702-16-53920

O-ring

Выбрано товаров: 5