Запчасти Komatsu PC450-8R ТОПЛИВН. ПОДАЮЩ. ТРУБЫ, (/) (№7-) ТОПЛИВН. ПОДАЮЩ. ТРУБЫ, ДЛЯ EXTRA BAD ТОПЛИВН. И ПЛОХ. ТОПЛИВО СПЕЦ-ЯIFICATION, ВОДН.+DUST, ДОПОЛН. ФИЛЬТР.

Схема запчастей Komatsu PC450-8R - ТОПЛИВН. ПОДАЮЩ. ТРУБЫ, (/) (№7-) ТОПЛИВН. ПОДАЮЩ. ТРУБЫ, ДЛЯ EXTRA BAD ТОПЛИВН. И ПЛОХ. ТОПЛИВО СПЕЦ-ЯIFICATION, ВОДН.+DUST, ДОПОЛН. ФИЛЬТР.
1
2
3
4
5
6
7
8
9
10
11
7
8
10
9
11
FIT
1:1
100%

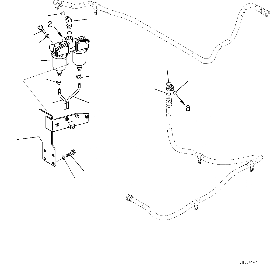
Артикул

Название

Примечание

Количество

1

208-04-76170

Bracket

2

01010-81235

Bolt

3

01643-31232

Washer

4

600-311-9340

Water Separator

5

01010-81030

Bolt

6

01643-31032

Washer

7

07270-00815

Tube

8

07285-00100

Clip

9

02782-10516

Elbow

10

02896-11015

O-ring

11

07002-12034

O-ring

Выбрано товаров: 11