Запчасти Komatsu PC450LC-6K ЭЛЕКТРОПРОВОДКА (/) (АККУМУЛЯТОРН. ОТСЕК)(№K-) ЭЛЕКТРИКА

Схема запчастей Komatsu PC450LC-6K - ЭЛЕКТРОПРОВОДКА (/) (АККУМУЛЯТОРН. ОТСЕК)(№K-) ЭЛЕКТРИКА
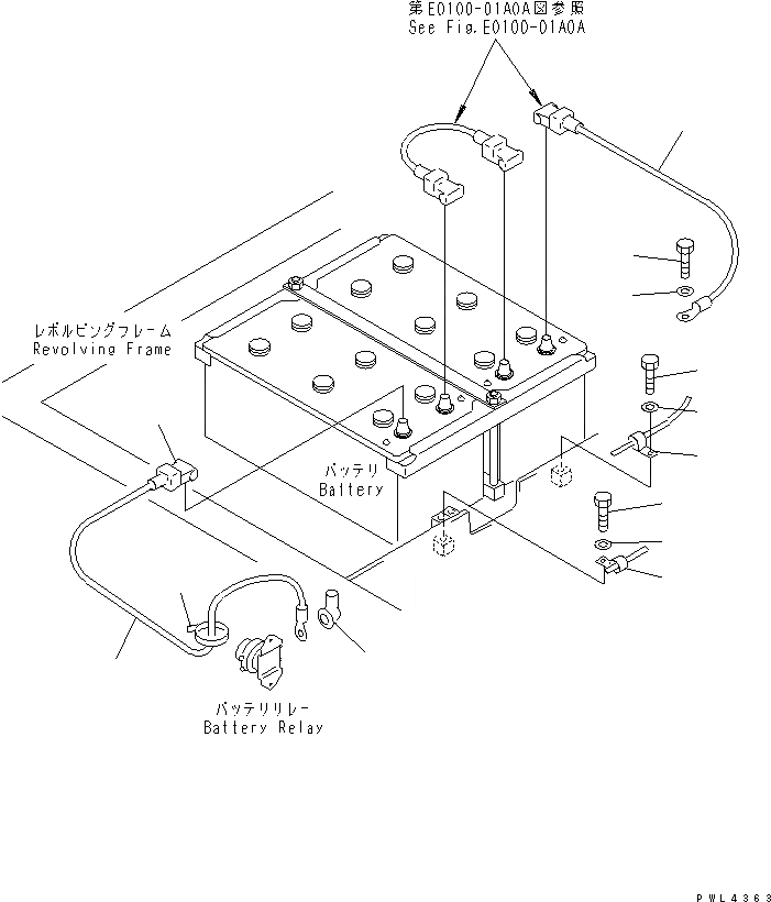
1
2
3
4
5
6
7
8
9
10
11
12
13
FIT
1:1
100%

Артикул

Название

Примечание

Количество

1

08028-44040

CABLE

2

08028-64045

CABLE

3

08038-42511

CAP

4

08038-06031

CAP

5

08036-00814

CLIP

6

01010-81225

BOLT

7

01643-31232

WASHER

8

04434-51612

CLIP

9

01010-81225

BOLT

10

01643-31232

WASHER

11

01010-81025

BOLT

12

01643-31032

WASHER

13

08034-00519

BAND

Выбрано товаров: 0