Качественные детали и логистика
Оригинальные и аналоговые запчасти с доставкой по России, Казахстану и Беларуси
©2022 PartSell ООО "Система" ИНН 2463123282 ОГРН 1212400004838
Центральный офис: г. Красноярск, Академика Киренского, д.87, пом.4
Телефон: 8 (800) 777-65-74 Email: zakaz@partsell.ru
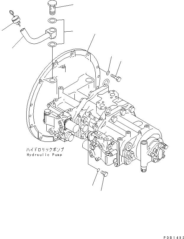
ОСНОВН. НАСОС (СОЕДИНИТЕЛЬН. ЧАСТИ)
№
Артикул
Название
Примечание
Количество
1
708-2H-00191
PUMP ASS'Y,(SEE FIG. Y1600-01A0)
|1
708-2H-00120
PUMP ASS'Y,(SEE FIG. H0210-51A0)
2
207-01-31141
BOLT
3
07005-03016
GASKET
4
207-01-31150
GAUGE
5
208-01-61190
TUBE
6
01010-81240
7
01643-31232
WASHER
8
07040-11209
PLUG
9
07002-01223
O-RING
Выбрано товаров: 0