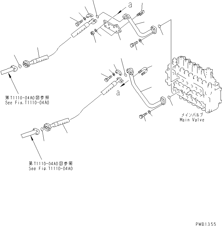
Запчасти Komatsu PC450LC-6Z ГИДРОЛИНИЯ РУКОЯТИ И КОВША(КЛАПАН ЛИНИИ КОВША) ГИДРАВЛИКА

Схема запчастей Komatsu PC450LC-6Z - ГИДРОЛИНИЯ РУКОЯТИ И КОВША(КЛАПАН ЛИНИИ КОВША) ГИДРАВЛИКА
1
2
3
3
4
4
5
5
6
6
7
7
7
7
8
8
9
9
10
10
11
12
12
13
14
FIT
1:1
100%

Артикул

Название

Примечание

Количество

1

207-62-61360

TUBE

2

207-62-61370

TUBE

3

07000-13035

O-RING

4

07372-21040

BOLT

5

01643-51032

WASHER

6

207-62-52610

HOSE

7

07000-13032

O-RING

8

07371-31049

FLANGE

9

07372-21035

BOLT

10

01643-51032

WASHER

11

207-62-61481

BRACKET

12

07283-33442

CLIP

13

01599-01011

NUT

14

01643-31032

WASHER

Выбрано товаров: 0