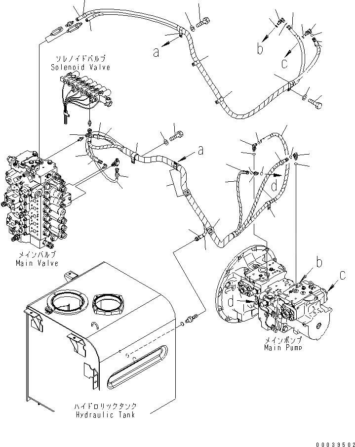
Запчасти Komatsu PC450LC-7K-E0 LS ЛИНИЯ ГИДРАВЛИКА

Схема запчастей Komatsu PC450LC-7K-E0 - LS ЛИНИЯ ГИДРАВЛИКА
1
1
1
1
2
2
2
2
3
3
3
3
4
5
6
7
7
8
8
9
9
10
10
11
11
12
12
13
13
14
14
14
14
14
15
16
17
17
17
17
18
18
19
19
20
20
21
21
22
FIT
1:1
100%

Артикул

Название

Примечание

Количество

1

11Y-62-12160

ELBOW

2

02896-11008

O-RING

3

07002-11423

O-RING

4

11Y-62-12130

NIPPLE

5

02896-11008

O-RING

6

07002-11423

O-RING

7

02760-00227

HOSE

8

02763-00414

HOSE

9

02777-00224

HOSE

10

02778-00229

HOSE

11

20Y-62-22790

BAND¤ RED

12

20Y-62-22810

BAND¤ YELLOW

13

20Y-62-22820

BAND¤ BLUE

14

04435-51812

CLIP

15

01010-81220

BOLT

16

01643-31232

WASHER

17

02777-00227

HOSE

18

20Y-62-22790

BAND¤ RED

19

113-899-7950

CLIP

20

01010-81225

BOLT

21

01643-31232

WASHER

22

04434-51812

CLIP

Выбрано товаров: 0