Запчасти Komatsu PC450LC-8 КАБИНА, ПОЛ, КЛАПАН, ПРАВ. (№7-) КАБИНА, КАБИНА ROPS, ПЕРЕДН. ФИКС. ОКНА, ЕС ARRANGEMENT, С AM-FM РАДИО ДЛЯ АЗИИ, KOMTRAX

Схема запчастей Komatsu PC450LC-8 - КАБИНА, ПОЛ, КЛАПАН, ПРАВ. (№7-) КАБИНА, КАБИНА ROPS, ПЕРЕДН. ФИКС. ОКНА, ЕС ARRANGEMENT, С AM-FM РАДИО ДЛЯ АЗИИ, KOMTRAX
9
8
7
9
9
9
8
8
8
7
7
7
4
4
3
1
2
5
6
FIT
1:1
100%

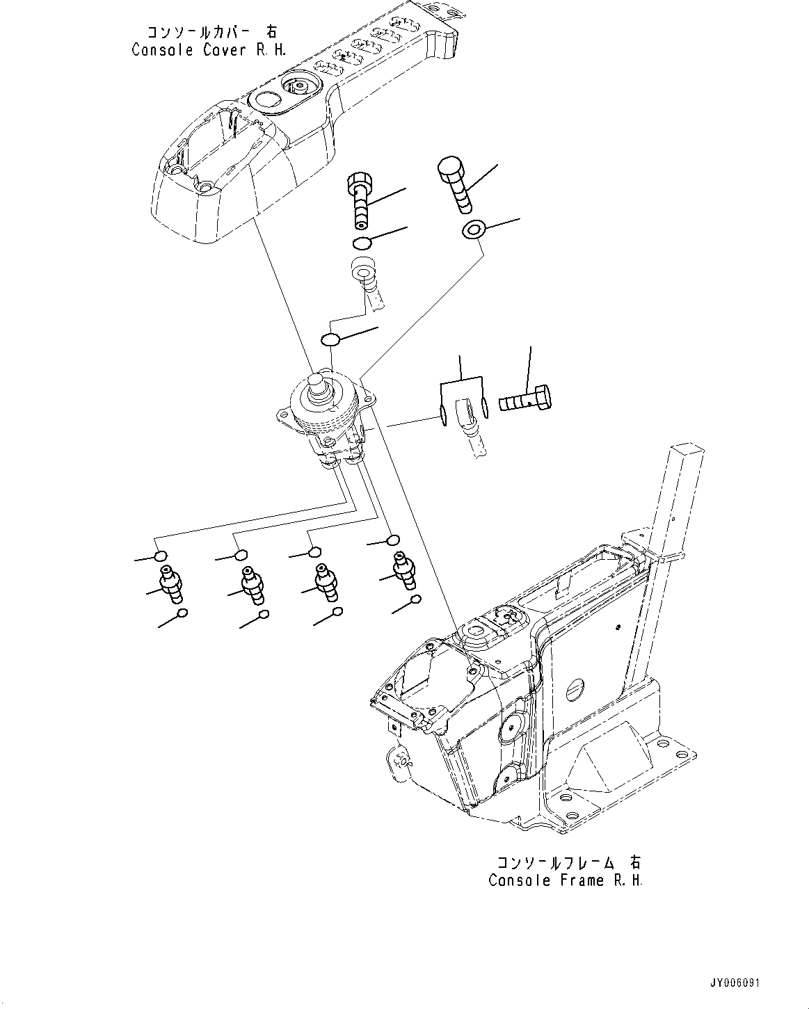
Артикул

Название

Примечание

Количество

1

01010-80820

Bolt

2

01643-30823

Washer

3

20Y-62-18910

Plug

4

07000-12018

O-ring

5

20Y-62-18890

Bolt, Joint

6

07000-12015

O-ring

7

11Y-62-12130

Nipple

8

02896-11008

O-ring

9

07002-11423

O-ring

Выбрано товаров: 9