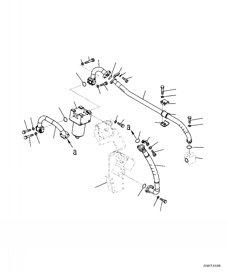
Запчасти Komatsu PC450LC-8 H7-A НАВЕСНОЕ ОБОРУД-Е ВОЗВРАТ. ФИЛЬТР. (-АКТУАТОР) ГИДРАВЛИКА

Схема запчастей Komatsu PC450LC-8 - H7-A НАВЕСНОЕ ОБОРУД-Е ВОЗВРАТ. ФИЛЬТР. (-АКТУАТОР) ГИДРАВЛИКА
12
13
10
24
25
27
11
26
23
32
14
33
15
1
30
5
3
31
9
2
8
28
30
29
17
18
20
4
7
24
19
6
34
16
35
17
22
21
FIT
1:1
100%

Артикул

Название

Примечание

Количество

2

01010-81635

BOLT

3

01643-31645

WASHER

4

207-62-73160

TUBE

5

07000-13040

O-RING

6

01010-81055

BOLT

7

01643-31032

WASHER

8

01010-81070

BOLT

9

01643-31032

WASHER

10

208-62-71840

TUBE

11

07000-13040

O-RING

12

01010-81055

BOLT

13

01643-31032

WASHER

14

01010-81070

BOLT

15

01643-31032

WASHER

16

207-62-73310

HOSE, 740 MM

17

07000-13048

O-RING

18

07371-31465

FLANGE

19

07372-21240

BOLT

20

01643-51232

WASHER

21

01010-81240

BOLT

22

01643-31232

WASHER

23

208-62-71890

HOSE, 1170 MM

24

07000-13048

O-RING

25

07371-31465

FLANGE

26

07372-21240

BOLT

27

01643-51232

WASHER

28

01010-81240

BOLT

29

01643-31232

WASHER

30

07094-11228

CLAMP

31

07095-01245

CUSHION

32

01010-81285

BOLT

33

01643-31232

WASHER

Выбрано товаров: 32