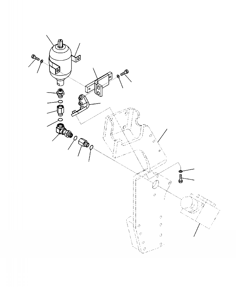
Запчасти Komatsu PC450LC-8 H7-A НАВЕСНОЕ ОБОРУД-Е АККУМУЛЯТОР (-АКТУАТОР) ГИДРАВЛИКА

Схема запчастей Komatsu PC450LC-8 - H7-A НАВЕСНОЕ ОБОРУД-Е АККУМУЛЯТОР (-АКТУАТОР) ГИДРАВЛИКА
16
7
8
15
5
2
5
3
5
2
5
4
14
13
1
12
9
6
11
10
FIT
1:1
100%

Артикул

Название

Примечание

Количество

2

201-62-71810

JOINT

3

207-62-73350

ELBOW

4

205-970-5550

NIPPLE

5

07002-12434

O-RING

6

207-62-73251

BRACKET

7

01010-81250

BOLT

8

01643-31232

WASHER

9

207-62-73240

BRACKET

10

01010-81240

BOLT

11

01643-31232

WASHER

12

175-61-51750

PLATE

13

01010-81225

BOLT

14

01643-31232

WASHER

Выбрано товаров: 13