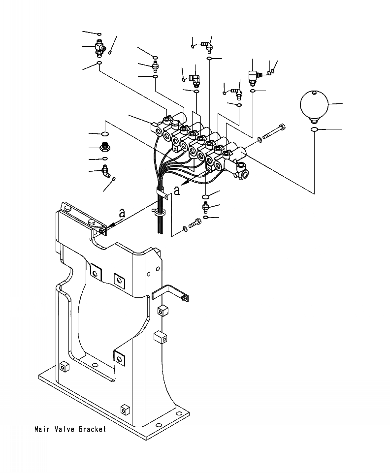
Запчасти Komatsu PC450LC-8 H8-A СОЛЕНОИДНЫЙ КЛАПАН СОЕДИНИТЕЛЬН. ЧАСТИ ГИДРАВЛИКА

Схема запчастей Komatsu PC450LC-8 - H8-A СОЛЕНОИДНЫЙ КЛАПАН СОЕДИНИТЕЛЬН. ЧАСТИ ГИДРАВЛИКА
7
14
14
8
12
13
2
3
4
15
9
10
11
15
5
15
6
15
15
15
24
1
25
20
19
23
21
18
22
16
17
FIT
1:1
100%

Артикул

Название

Примечание

Количество

2

20Y-62-22271

ELBOW

3

201-60-11390

O-RING

4

20Y-62-19560

O-RING

5

208-62-71750

ELBOW

6

02896-11008

O-RING

7

02783-10210

ELBOW

8

02896-11008

O-RING

9

21W-62-42490

ELBOW

10

02896-11009

O-RING

11

11Y-62-12130

NIPPLE

12

02896-11008

O-RING

13

11Y-62-12330

ELBOW

14

02896-11008

O-RING

15

07002-11423

O-RING

16

02781-00422

UNION

17

02896-11012

O-RING

18

07002-12034

O-RING

19

20Y-62-21940

FILTER

20

07002-12034

O-RING

21

21W-62-42490

ELBOW

22

02896-11009

O-RING

23

07002-11423

O-RING

24

20Y-60-A1221

ACCUMULATOR

24

20Y-60-A1220

ACCUMULATOR

25

07002-12034

O-RING

Выбрано товаров: 25