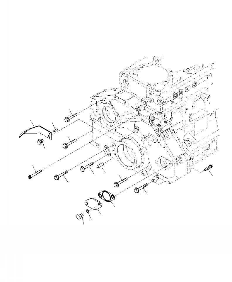
Запчасти Komatsu PC450LC-8 A-AH ЭЛЕМЕНТЫ ПЕРЕДН. КРЫШКИ КРЕПЛЕНИЕ БОЛТ И POINTER ДВИГАТЕЛЬ

Схема запчастей Komatsu PC450LC-8 - A-AH ЭЛЕМЕНТЫ ПЕРЕДН. КРЫШКИ КРЕПЛЕНИЕ БОЛТ И POINTER ДВИГАТЕЛЬ
8
9
6
7
2
10
4
1
2
4
5
13
2
3
12
11
FIT
1:1
100%

Артикул

Название

Примечание

Количество

1

04020-01228

PIN, DOWEL

2

01435-01070

BOLT

3

01435-01080

BOLT

4

01435-01075

BOLT

5

01437-01075

BOLT

6

6251-21-3211

PLATE

7

6251-21-3231

GASKET

8

01050-51225

BOLT

9

6251-21-3250

GASKET

10

6150-81-9130

BOLT

11

6156-21-3430

POINTER

12

175-30-35180

PIN, DOWEL

13

01435-01016

BOLT

Выбрано товаров: 13