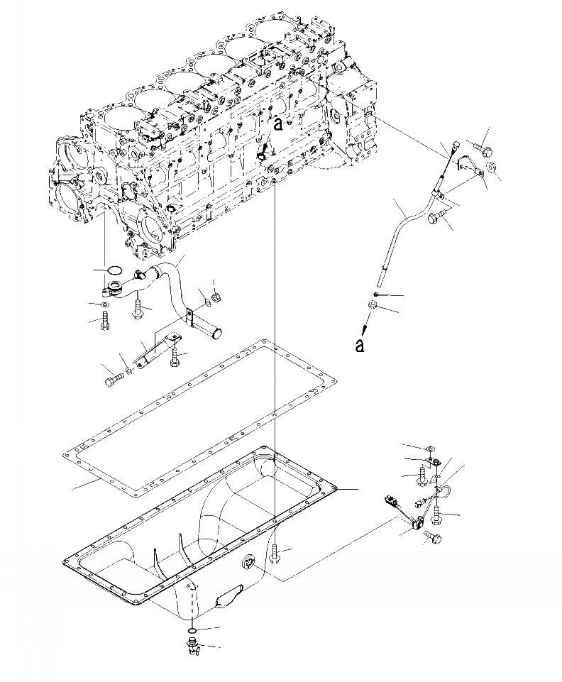
Запчасти Komatsu PC450LC-8 A-AR МАСЛЯНЫЙ ПОДДОН И ВСАСЫВАЮЩИЙ ПАТРУБОК ДВИГАТЕЛЬ

Схема запчастей Komatsu PC450LC-8 - A-AR МАСЛЯНЫЙ ПОДДОН И ВСАСЫВАЮЩИЙ ПАТРУБОК ДВИГАТЕЛЬ
13
6
14
7
10
12
11
23
24
31
32
8
29
26
9
25
27
32
28
30
22
18
19
17
21
1
2
20
15
3
16
5
4
FIT
1:1
100%

Артикул

Название

Примечание

Количество

1

6150-23-5181

PAN, OIL

2

6150-21-5813

GASKET

3

01435-01025

BOLT

4

07705-01400

VALVE, DRAIN

5

07002-22434

O-RING

6

6150-21-5650

GAUGE, OIL LEVEL

7

6251-21-5440

GUIDE, OIL GAUGE

8

6150-21-5920

COLLAR

9

6150-21-5930

NUT

10

6251-51-7170

BRACKET

11

01435-01020

BOLT

12

04434-51310

CLIP

13

01435-01055

BOLT

14

01584-01008

NUT

15

6741-81-9220

SENSOR, OIL LEVEL

|$15

7861-91-4220

O-RING

16

01435-00612

BOLT

17

426-01-11310

BRACKET

18

08193-20010

CLIP

19

600-051-2050

CLIP

20

01435-01020

BOLT

21

01435-01030

BOLT

22

01643-31032

WASHER

23

6150-51-6350

STRAINER

24

07000-73045

O-RING

25

01010-81035

BOLT

26

6150-81-9370

BOLT

27

6150-51-6241

BRACKET

28

01010-81020

BOLT

29

01643-31032

WASHER

30

01010-81025

BOLT

31

01580-01008

NUT

32

01643-31032

WASHER

Выбрано товаров: 33