Качественные детали и логистика
Оригинальные и аналоговые запчасти с доставкой по России, Казахстану и Беларуси
©2022 PartSell ООО "Система" ИНН 2463123282 ОГРН 1212400004838
Центральный офис: г. Красноярск, Академика Киренского, д.87, пом.4
Телефон: 8 (800) 777-65-74 Email: zakaz@partsell.ru
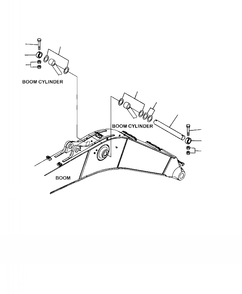
T-A ЦИЛИНДР СТРЕЛА ВЕРХН. ПАЛЕЦ
№
Артикул
Название
Примечание
Количество
1
208-70-61860
PIN
2
208-70-31242
PLATE
3
207-70-13340
BOLT
4
01580-12419
NUT
5
208-70-71561
SPACER, 1.0 MM
6
208-70-71571
SPACER, 2.0 MM
Выбрано товаров: 0