Качественные детали и логистика
Оригинальные и аналоговые запчасти с доставкой по России, Казахстану и Беларуси
©2022 PartSell ООО "Система" ИНН 2463123282 ОГРН 1212400004838
Центральный офис: г. Красноярск, Академика Киренского, д.87, пом.4
Телефон: 8 (800) 777-65-74 Email: zakaz@partsell.ru
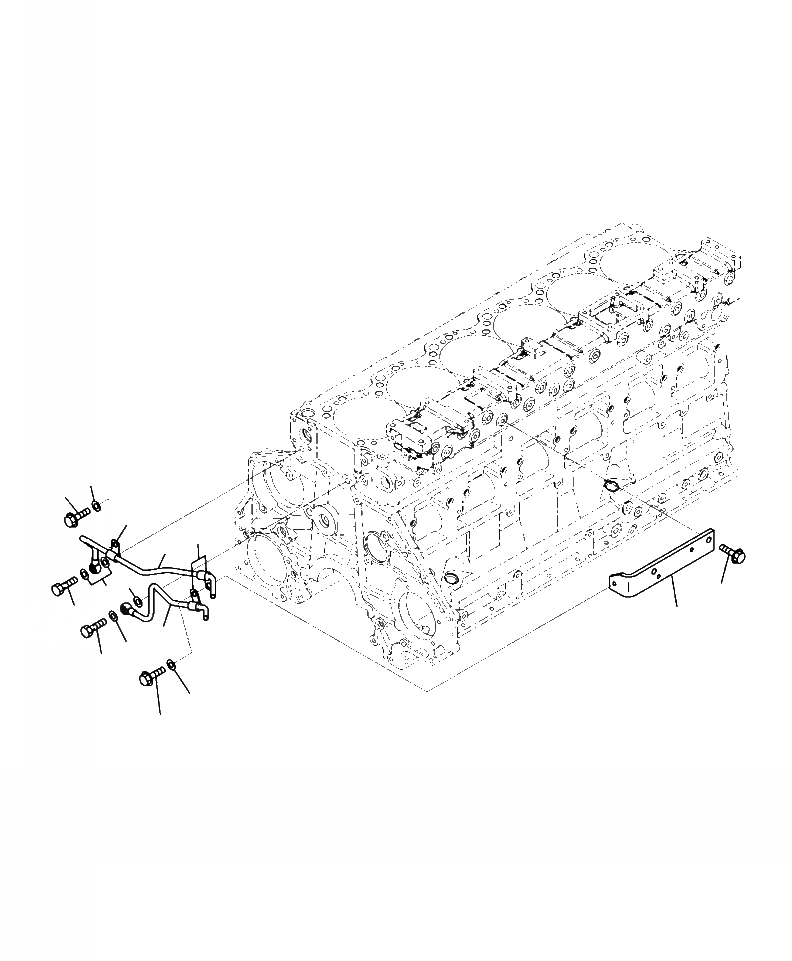
A-AG АНТИКОРРОЗ. ЭЛЕМЕНТ
№
Артикул
Название
Примечание
Количество
1
6251-61-8430
BRACKET
2
01435-01030
BOLT
3
6251-61-8230
TUBE, INLET
4
6251-61-8240
TUBE, RETURN
5
07005-01412
GASKET
6
07206-31014
BOLT, JOINT
7
600-051-6100
CLIP
8
01435-01016
9
01435-01020
10
01643-31032
WASHER
Выбрано товаров: 0