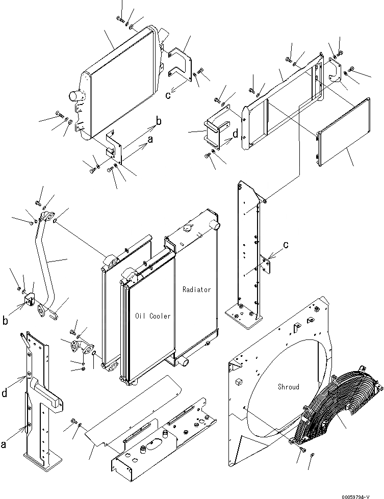
Запчасти Komatsu PC450LC-8 ОХЛАЖД-Е (ПОСЛЕОХЛАДИТЕЛЬ И КОНДЕНСАТОР) C СИСТЕМА ОХЛАЖДЕНИЯ

Схема запчастей Komatsu PC450LC-8 - ОХЛАЖД-Е (ПОСЛЕОХЛАДИТЕЛЬ И КОНДЕНСАТОР) C СИСТЕМА ОХЛАЖДЕНИЯ
38
10
12
11
17
18
40
39
16
40
39
18
8
9
7
17
5
6
4
35
37
36
34
36
37
35
14
15
2
3
1
20
24
23
22
21
26
27
13
19
25
32
28
31
30
29
33
42
43
41
45
46
44
FIT
1:1
100%

Артикул

Название

Примечание

Количество

1

208-03-77230

BRACKET

1

208-03-75851

BRACKET

2

01010-81020

BOLT

3

01643-31032

WASHER

4

208-03-77240

BRACKET

4

208-03-75860

BRACKET

5

01010-81020

BOLT

6

01643-31032

WASHER

7

208-03-75283

BRACKET

8

01010-81020

BOLT

9

01643-31032

WASHER

10

208-03-75292

BRACKET

11

01010-81020

BOLT

12

01643-31032

WASHER

13

208-03-77150

BRACKET

13

208-03-75431

BRACKET

14

01010-81225

BOLT

15

01643-31232

WASHER

16

208-03-77260

BRACKET

16

208-03-76441

BRACKET

17

01010-81030

BOLT

17

01010-81025

BOLT

18

01643-31032

WASHER

19

208-03-75410

TUBE

20

07002-11423

O-RING

21

07040-11409

PLUG

22

07000-13045

O-RING

23

01010-81235

BOLT

24

01643-31232

WASHER

25

07283-34949

CLIP

26

01597-01009

NUT

27

01643-31032

WASHER

28

208-03-75420

TUBE

29

07000-13045

O-RING

30

07040-11409

PLUG

31

07002-11423

O-RING

32

01010-81235

BOLT

33

01643-31232

WASHER

34

6251-61-5110

AFTER COOLER

35

6110-23-6490

SPACER

36

01010-81040

BOLT

37

01643-31032

WASHER

38

208-979-7520

CONDENSER ASSEMBLY

39

01010-80616

BOLT

40

01643-30623

WASHER

41

208-03-76430

COVER

42

01010-81020

BOLT

43

01643-31032

WASHER

44

208-03-72340

GUARD

|44

208-03-75772

GUARD

45

01026-A1225

BOLT

46

208-03-72310

GROMMET

Выбрано товаров: 52