Запчасти Komatsu PC450LC-8 ОСНОВН. ЛИНИЯ PPC (БЛОК) ( АКТУАТОР) H ГИДРАВЛИКА

Схема запчастей Komatsu PC450LC-8 - ОСНОВН. ЛИНИЯ PPC (БЛОК) ( АКТУАТОР) H ГИДРАВЛИКА
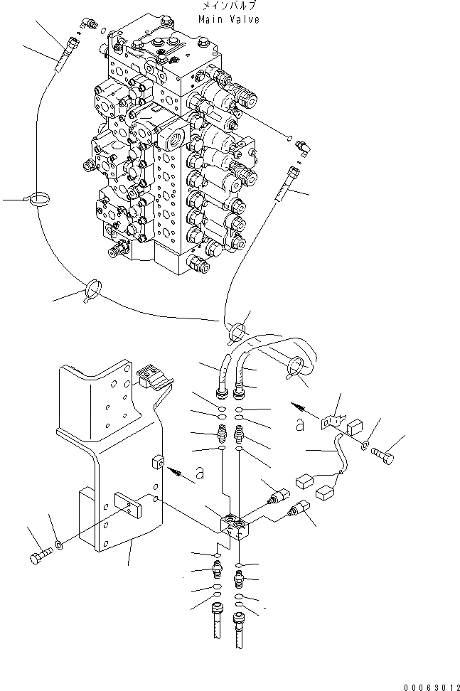
1
2
3
4
4
4
4
5
5
5
5
6
6
6
6
7
7
7
7
8
8
9
10
11
12
13
13
14
14
15
15
16
16
17
17
18
FIT
1:1
100%

Артикул

Название

Примечание

Количество

1

20Y-62-43430

BLOCK

2

01010-80830

BOLT

3

01643-30823

WASHER

4

20Y-62-16630

NIPPLE

5

201-60-11390

O-RING

6

20Y-62-19560

O-RING

7

07002-11423

O-RING

8

206-06-61130

SWITCH

9

20Y-06-21330

WIRING HARNESS

10

08053-01512

CLIP

11

01010-81225

BOLT

12

01643-31232

WASHER

13

08034-20519

BAND

14

208-62-72570

HOSE 1200MM

15

208-62-72580

HOSE 1700MM

16

20Y-62-22810

BAND YELLOW

17

08034-20536

BAND

18

208-62-71912

BRACKET

Выбрано товаров: 18