Запчасти Komatsu PC450LC-8 OPERATORґS КАБИНА (ПОЛ) (Э/ПРОВОДКА КРЕПЛЕНИЕ И EARTH) (СПЕЦ-Я ДЛЯ РАЗРУШ. ЗДАНИЙ) (№K8-K9) K OPERATORґS ОБСТАНОВКА И СИСТЕМА УПРАВЛЕНИЯ

Схема запчастей Komatsu PC450LC-8 - OPERATORґS КАБИНА (ПОЛ) (Э/ПРОВОДКА КРЕПЛЕНИЕ И EARTH) (СПЕЦ-Я ДЛЯ РАЗРУШ. ЗДАНИЙ) (№K8-K9) K OPERATORґS ОБСТАНОВКА И СИСТЕМА УПРАВЛЕНИЯ
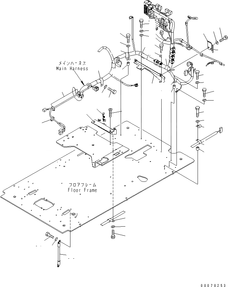
1
2
2
3
3
4
5
6
7
8
9
10
11
12
13
14
15
16
17
18
19
20
21
22
23
24
25
26
27
28
29
29
30
31
32
33
34
35
36
37
38
FIT
1:1
100%

Артикул

Название

Примечание

Количество

1

20Y-53-14121

BRACKET

2

01010-81016

BOLT

3

01643-31032

WASHER

4

01643-31032

WASHER

5

208-06-19170

CLIP

6

20Y-62-17930

CLIP

7

01010-81025

BOLT

8

01643-31032

WASHER

9

20Y-53-14150

PLATE ASSEMBLY

9

PLATE

10

20Y-53-14170

TRIM

11

208-06-19170

CLIP

12

195-33-11220

SPACER

13

01010-81040

BOLT

14

01643-31032

WASHER

15

04434-51910

CLIP

16

195-33-11220

SPACER

17

01010-81070

BOLT

18

01643-31032

WASHER

19

04434-51410

CLIP

20

04434-51010

CLIP

21

175-40-22540

SPACER

22

01010-81070

BOLT

23

01643-31032

WASHER

24

01010-81020

BOLT

25

01643-31032

WASHER

26

04434-53411

CLIP

27

01010-81020

BOLT

28

01643-31032

WASHER

29

08034-20519

BAND

30

20Y-53-18331

BRACKET

31

01240-00820

SCREW

32

08211-00720

CLIP

33

04434-52110

CLIP

34

01010-81020

BOLT

35

01643-31032

WASHER

36

08028-43030

CABLE

37

01010-81020

BOLT

38

01643-31032

WASHER

Выбрано товаров: 39