Запчасти Komatsu PC450LC-8K HIGH REACH DEMOLITION СОЕДИНИТЕЛЬН. ЗВЕНО ПАЛЕЦS И ВТУЛКАS TABLE OF CONTENTS PC-8 ВЫС. REACH РАЗРУШ. ЗДАНИЙ

Схема запчастей Komatsu PC450LC-8K HIGH REACH DEMOLITION - СОЕДИНИТЕЛЬН. ЗВЕНО ПАЛЕЦS И ВТУЛКАS TABLE OF CONTENTS PC-8 ВЫС. REACH РАЗРУШ. ЗДАНИЙ
10
8
11
11
15
5
4
12
7
5
2
5
15
16
9
9
4
3
11
14
11
13
10
12
5
2
6
5
1
3
5
6
13
10
FIT
1:1
100%

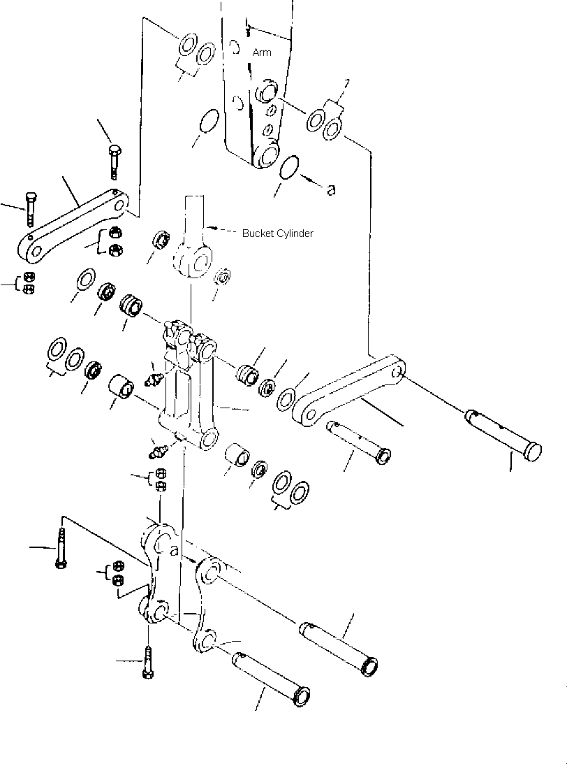
Артикул

Название

Примечание

Количество

1

20Y-9733111

LINK

2

206-70-71381

BUSHING

3

20Y-70-32351

BUSHING

4

07020-00000

FITTING

5

20Y-70-23230

SEAL

6

205-70-51530

SPACER

|$7

20Y-70-11340

SPACER

7

206-70-71541

SPACER

8

KV-B230-1240

LINK (LH)

9

20Y-973-1270

PIN

10

20Y-70-32450

BOLT

11

01580-12016

NUT

12

205-70-73280

O-RING

13

207-70-81270

PIN

14

20Y-70-32460

BOLT

15

206-70-71551

SPACER

16

KV-B230-1250

LINK (RH)

Выбрано товаров: 17