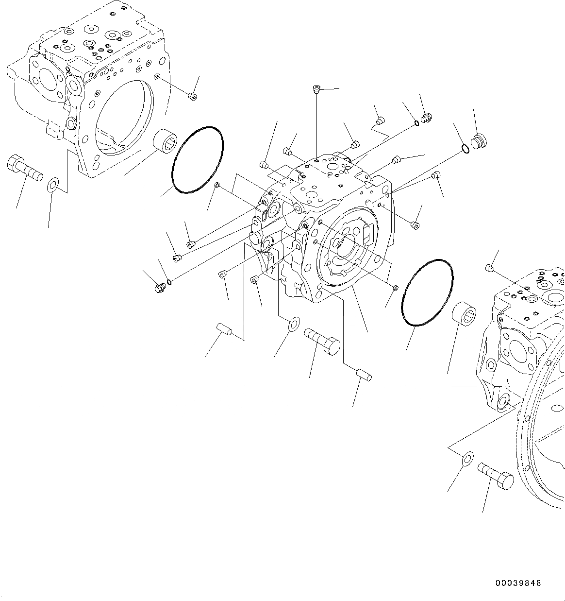
Запчасти Komatsu PC450LC-8R ПОРШЕНЬ НАСОС, ВНУТР. ЧАСТИ (/) (№7-78) ПОРШЕНЬ НАСОС

Схема запчастей Komatsu PC450LC-8R - ПОРШЕНЬ НАСОС, ВНУТР. ЧАСТИ (/) (№7-78) ПОРШЕНЬ НАСОС
3
5
7
8
13
12
1
2
2
2
2
3
5
4
4
10
11
2
6
2
2
6
2
9
9
2
11
2
8
8
7
10
7
6
6
FIT
1:1
100%

Артикул

Название

Примечание

Количество

|$0

708-2H-00027

Pump Assembly

|$1

708-2H-01027

Pump Subassembly

|$2

708-2H-04480

Cap Assembly

1

Cap

2

Plug

3

708-2H-12430

Bearing

4

07000-A5190

O-ring

5

04020-01434

Pin, Dowel

6

708-1L-29340

Orifice

7

01010-61860

Bolt

8

01643-31845

Washer

9

708-2L-25480

Filter

10

708-8E-16150

Plug

11

07002-61023

O-ring

12

07040-12414

Plug

13

07002-62434

O-ring

Выбрано товаров: 16