Запчасти Komatsu PC450LCHD-8 ОСНОВН. КЛАПАН (-АКТУАТОР) (/) (№K-K99) Y ОСНОВН. КОМПОНЕНТЫ И РЕМКОМПЛЕКТЫ

Схема запчастей Komatsu PC450LCHD-8 - ОСНОВН. КЛАПАН (-АКТУАТОР) (/) (№K-K99) Y ОСНОВН. КОМПОНЕНТЫ И РЕМКОМПЛЕКТЫ
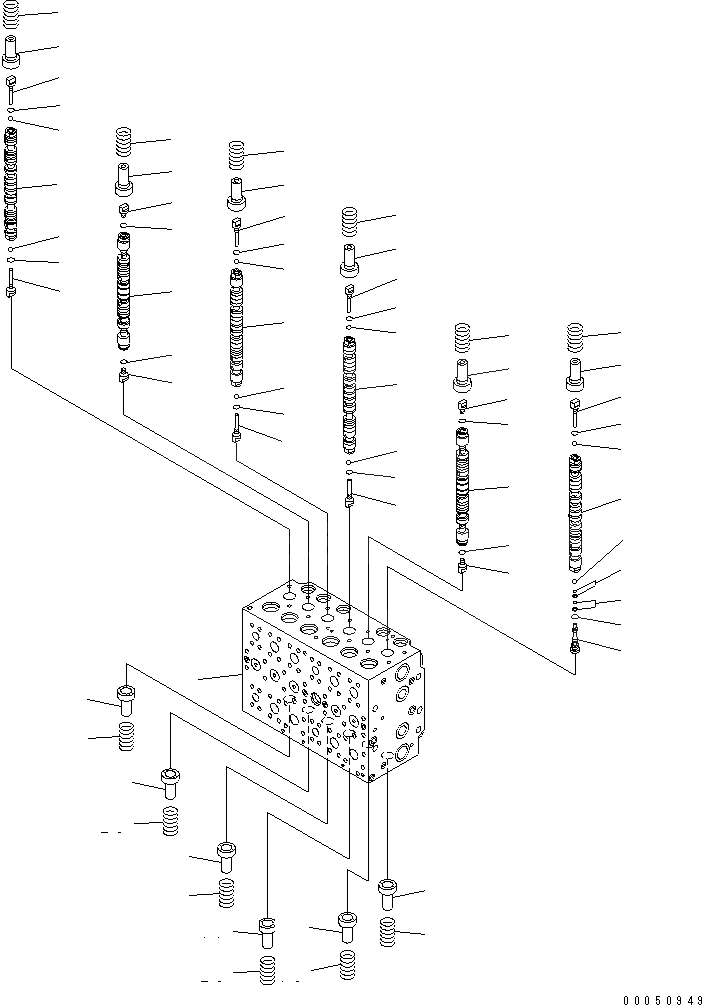
1
2
3
4
5
6
7
8
8
8
8
8
8
8
9
9
9
9
10
10
10
10
10
10
10
10
10
10
10
11
12
13
14
15
15
15
15
15
15
15
15
16
16
16
16
16
16
17
17
17
17
17
17
18
18
18
18
18
18
19
20
20
20
20
20
FIT
1:1
100%

Артикул

Название

Примечание

Количество

|1

723-48-27701

CONTROL VALVE

|1

BODY SUB ASSEMBLY

1

BLOCK, VALVE

2

SPOOL

3

SPOOL

4

SPOOL

5

SPOOL

6

SPOOL

7

SPOOL

8

723-46-15130

PLUG

9

723-46-15140

PLUG

10

07002-10823

O-RING

11

PLUG

12

07002-11423

O-RING

13

SEAL

14

SEAL

15

708-7T-16460

BALL

16

723-46-15120

RETAINER

17

723-46-15690

RETAINER

18

723-46-14110

SPRING

19

723-46-14170

SPRING

20

723-46-14131

SPRING

Выбрано товаров: 22