Запчасти Komatsu PC45MR-1 ОСНОВН. НАСОС (КРЕПЛЕНИЕ И СОЕДИН-Е)(№-) ГИДРАВЛИКА

Схема запчастей Komatsu PC45MR-1 - ОСНОВН. НАСОС (КРЕПЛЕНИЕ И СОЕДИН-Е)(№-) ГИДРАВЛИКА
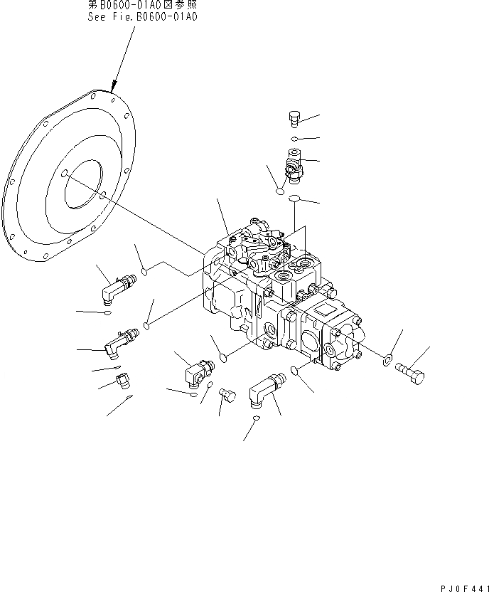
1
2
3
4
5
6
7
7
8
8
9
10
10
11
11
12
13
14
15
16
16
16
17
17
FIT
1:1
100%

Артикул

Название

Примечание

Количество

1

708-3S-00313

PUMP ASS'Y

2

01010-81240

BOLT

3

01643-31232

WASHER

4

20U-62-41950

ELBOW

5

02896-11012

O-RING

6

07002-12034

O-RING

7

22M-60-11960

ELBOW ASS'Y

8

07002-11423

O-RING

9

20U-62-41651

ELBOW

10

07040-11007

PLUG

11

07002-11023

O-RING

12

07002-11823

O-RING

13

02782-10314

ELBOW

14

07002-11823

O-RING

15

22M-62-16110

JOINT

16

02896-11008

O-RING

17

02896-11009

O-RING

Выбрано товаров: 17