Запчасти Komatsu PC45MR-3 ОТОПИТЕЛЬ (№-) ОТОПИТЕЛЬ, С КАБИНОЙ ОБОГРЕВАТЕЛЬ., ДЛЯ КАБИНА ROPS

Схема запчастей Komatsu PC45MR-3 - ОТОПИТЕЛЬ (№-) ОТОПИТЕЛЬ, С КАБИНОЙ ОБОГРЕВАТЕЛЬ., ДЛЯ КАБИНА ROPS
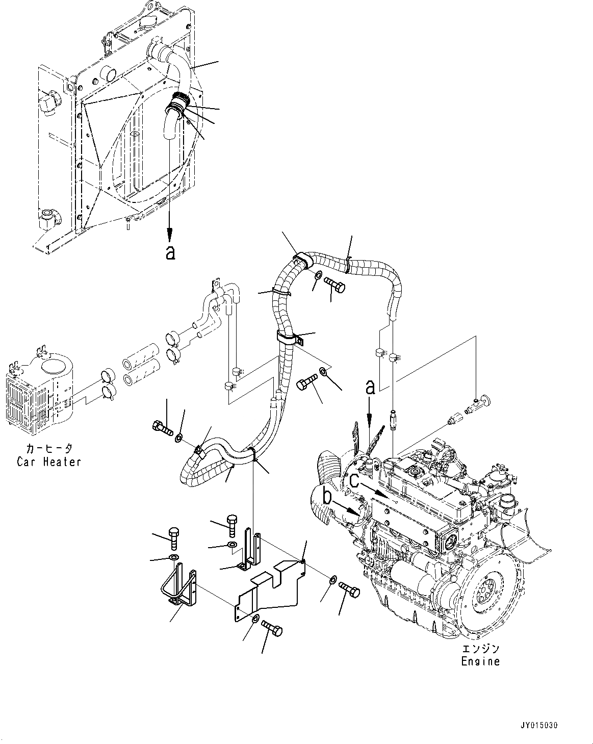
7
21
8
8
16
17
13
14
15
12
19
20
19
20
18
10
10
11
3
5
4
6
1
2
1
9
11
2
FIT
1:1
100%

Артикул

Название

Примечание

Количество

1

08034-20834

Band

2

08034-40521

Band

3

01010-81020

Bolt

4

01643-31032

Washer

5

22M-977-1150

Clip

6

22M-977-1140

Clip

7

07095-01245

Cushion

8

08034-20823

Band

9

04435-52110

Clip

10

01010-81020

Bolt

11

01643-31032

Washer

12

22M-977-3330

Bracket

13

01010-81020

Bolt

14

01643-31032

Washer

15

22M-977-3340

Bracket

16

01010-81020

Bolt

17

01643-31032

Washer

18

22M-979-3281

Plate

19

01010-80610

Bolt

20

01643-30623

Washer

21

22M-03-31440

Hose

|$21

22M-03-31440

Hose

Выбрано товаров: 22