Запчасти Komatsu PC45MR-3 ОСНОВН. КОНСТРУКЦИЯ, ПОЛ, PPC ТРУБЫ ДЛЯ ХОД КЛАПАН (№-) ОСНОВН. КОНСТРУКЦИЯ, С ПРОПОРЦИОНАЛЬН. РЫЧАГ УПРАВЛ-Я, ДЛЯ СЕВ. АМЕРИКИ, PROVISION ДЛЯ -ДОПОЛН. АКТУАТОР ТРУБЫ, ВЫСОК. ЕМК.

Схема запчастей Komatsu PC45MR-3 - ОСНОВН. КОНСТРУКЦИЯ, ПОЛ, PPC ТРУБЫ ДЛЯ ХОД КЛАПАН (№-) ОСНОВН. КОНСТРУКЦИЯ, С ПРОПОРЦИОНАЛЬН. РЫЧАГ УПРАВЛ-Я, ДЛЯ СЕВ. АМЕРИКИ, PROVISION ДЛЯ -ДОПОЛН. АКТУАТОР ТРУБЫ, ВЫСОК. ЕМК.
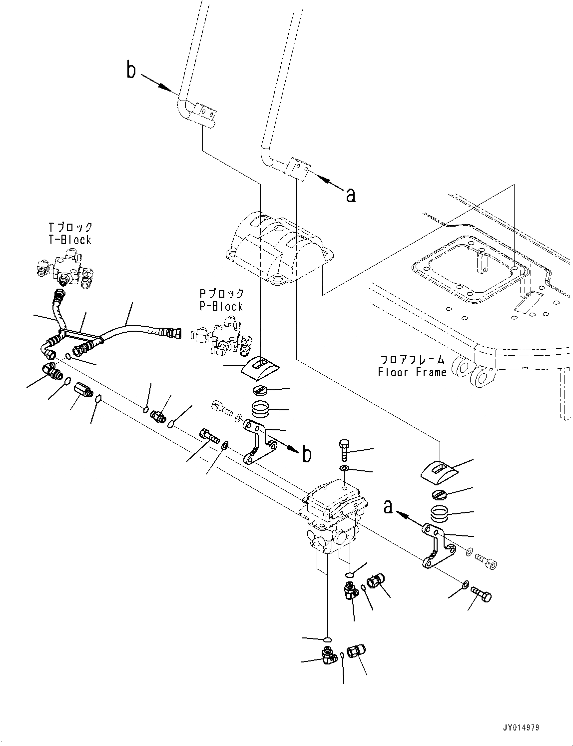
1
2
3
4
5
6
7
8
9
22
17
18
20
19
21
17
18
8
10
22
12
11
10
12
11
16
13
15
14
16
14
15
13
FIT
1:1
100%

Артикул

Название

Примечание

Количество

1

01010-81025

Bolt

2

01643-31032

Washer

3

11Y-62-12140

Nipple

4

07000-12011

O-ring

5

02896-11008

O-ring

6

21W-62-43970

Elbow

7

20T-910-8660

Nipple

8

07000-12011

O-ring

9

02896-11008

O-ring

10

21K-62-73110

Elbow

11

02896-11008

O-ring

12

07000-12011

O-ring

13

22F-43-31120

Lever

14

203-43-51620

Spring

14

22U-43-21350

Cover Assembly

15

20Y-43-21140

Cover

16

22U-43-21360

Seal

17

01010-81030

Bolt

18

01643-31032

Washer

19

22F-62-33410

Hose

20

22M-62-23160

Hose

21

08034-20519

Band

22

22M-62-23330

Joint

Выбрано товаров: 23