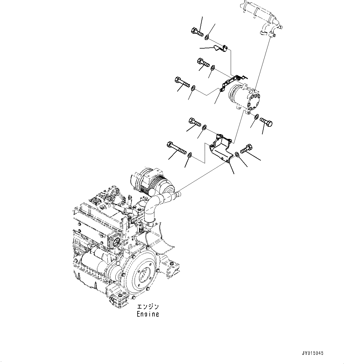
Запчасти Komatsu PC45MR-3 ДВИГАТЕЛЬ БЛОК, КОРПУС (№-7) ДВИГАТЕЛЬ БЛОК, С КОНДИЦИОНЕРОМ

Схема запчастей Komatsu PC45MR-3 - ДВИГАТЕЛЬ БЛОК, КОРПУС (№-7) ДВИГАТЕЛЬ БЛОК, С КОНДИЦИОНЕРОМ
10
9
12
11
13
6
7
14
17
16
15
8
5
4
3
2
1
FIT
1:1
100%

Артикул

Название

Примечание

Количество

1

22M-979-3210

Bracket

2

01010-81035

Bolt

3

01643-31032

Washer

4

01010-80830

Bolt

5

01643-30823

Washer

6

01010-80835

Bolt

7

01643-30823

Washer

8

22M-979-3221

Stay Assembly

9

01010-80865

Bolt

10

01643-30823

Washer

11

01010-80825

Bolt

12

01643-30823

Washer

13

01010-80865

Bolt

14

01643-30823

Washer

15

22M-979-3251

Cover

16

01010-80820

Bolt

17

01643-30823

Washer

Выбрано товаров: 17